Previous Page Table of Contents Next Page


SOUTH-EAST PACIFIC - PACIFICO SUDORIENTAL (Continued)

VARIABILIDAD EN LA DISTRIBUCION Y ABUNDANCIA DE HUEVOS
Y LARVAS DE MACARELA (Scomber japonicus peruanus)
Y DE ALGUNOS CLUPEIDOS EN AGUAS ECUATORIANAS

Por

María Laura García
Instituto Nacional de Pesca
Casilla 5918
Guayaquil-Ecuador

Summary

The distribution and abundance of eggs and larvae of Scomber japonicus peruanus (mackerel) and of some cleupeids were determined on various cruises during some years in the Gulf of Guayaquil and the Coast of Ecuador.

Marked differences were detected in the spawning of these species, which coincided with variations detected in oceanographic conditions and both primary and secondary productivity.

Major abundances were detected during the summer (January to April) with values of 10,000 mackerel eggs 110 m2. Lower values were recorded in winter months (May to December). Major concentrations were encountered principally in the north and south of Ecuador during February and March and limited to the south in August, distinguishing primarily the zone adjacent to the tip of Santa Elena as a zone of intense spawning.

In this study special attention is given to the analysis of information obtained in recent years, and to the variations observed in species distribution.

INTRODUCCION

En el transcurso de los últimos veinte años, las especies de peces pelágicos que han constituído las pesquerías neríticas más importantes del Ecuador han sido: la pinchagua (Opisthonema spp.); el chuhueco (Cetengraulis mistycetus); la macarela (Scomber japonicus peruanus); la sardina del sur (Sardinops sagax sagax) y la sardina redonda (Etrumeus teres).

La distribución de las capturas se extiende generalmente de la costa hasta las 20 millas para Opisthonema y hasta las 40 millas fuera de la costa para las otras especies (French y Menz, 1982).

Hasta 1970, la especie tropical Opisthonema spp. integra casi exclusivamente el total de las capturas por la flota nacional. A mediados de la década del 70 comienza a desarrollarse una pesquería mixta compuesta por especies de distribución circuntropical y sub-tropical como: S. japonicus; E. teres y S. sagax que constituyen los recursos más importantes en volúmenes de captura por la flota ecuatoriana en la década actual.

Estos cambios manifestados por las capturas podrían ser atribuidos a factores inherentes con el desarrollo y expansión de las pesquerías, más que a una respuesta biológica de las poblaciones de peces a condiciones ambientales.

Según Smith (1980), el monitoraje de la captura por unidad de esfuerzo, cuando se trata de stocks pequeños, no es un método muy confiable para la determinación de las características de la población en sí. En nuestro caso el monitoraje de huevos y larvas de peces ha sido útil en la interpretación de los eventos que en pequeña o gran escala han determinado los cambios en la distribución y abundancia de la población desovante de macarela, sardina redonda y sardina peruana durante 1980, 1981, 1982 y 1983 en aquas ecuatorianas.

La información existente sobre huevos y larvas de peces en esta región es en general escasa; Ahlstrom (1971 ó 1972) estudió la distribución y abundancia de larvas de peces sobre una transecta en los 82°W.

Cajas e Hinostroza (1981), estudiaron la distribución de huevos y larvas de engráulidos y de Opisthonema en una zona del Golfo de Guayaquil. Peribonio, et al. (1981), registraron bajos valores de la biomasa total de huevos y larvas de peces en el Golfo de Guayaquil para el mes de Junio. Jiménez (1982) sugiere que existe una relación entre el patrón de distribución del fitoplancton y el de los huevos y larvas de peces, con valores máximos en el Golfo de Guayaquil y decrecientes hacia el oceano abierto y hacia el norte de la Costa de Ecuador.

El presente trabajo analiza la distribución y abundancia de huevos y larvas de macarela y de algunos de los clupeidos que se registraron en el área comprendida entre la Costa ecuatoriana y los 82°W y entre 1° latitud norte y 3°20' de latitud sur.

Características del área y condiciones oceanográficas de la región

La línea de costa de la región estudiada carece de irregularidades de gran complejidad, excepto en el Golfo de Guayaquil donde desemboca la gran cuenca del río Guayas, que establece una morfología típica estuarina con gran aporte de sedimentos sobre sus costas y su plataforma continental. La extensión de la plataforma es alrededor de 42 km con una profundidad promedio de 156 m en su borde externo. La plataforma es en general suave y amplia, excepto en Cabo San Lorenzo y Puntilla Santa Elena donde se presenta escarpada y angosta (Miró et al., 1976 y 1977).

La circulación superficial de gran escala que domina en la región es desde el Sureste, presentando un sistema frontal o Frente Ecuatorial que tiene características estacionales que han sido descritos en los aspectos hidrográficos por Wyrtki (1966), Wooster (1969), Stevenson et al. (1970), Enfield (1976) y Pak y Zaneveld (1974), entre otros autores.

El Frente Ecuatorial es una región que separa las aguas tropicales superficiales (T>23°C, S<33.5 0/00) de las aguas subtropicales superficiales modificadas (T<21°C, S>34.59 0/00).

El Frente se manifiesta claramente en aguas ecuatorianas durante el invierno austral, cuando se intensifican los vientos del Sureste y el flujo hacia el Noroeste de la corriente fría y salina de Humboldt se hace más fuerte; presentando una distribución zonal que está comprendida desde aproximadamente los 2°S sobre la Costa ecuatoriana hacia el noroeste. Durante el verano debido al debilitamiento de los vientos del sur y al flujo de las aguas cálidas y menos salinas del Norte, el Frente se manifiesta débil y replegado al Sur, sobre la Costa peruana. Desplazamientos anormales de este flujo cálido del norte han determinado las localizaciones extremas del Frente hacia el Sur y la ocurrencia del fenómeno conocido como "El Niño" el cual origina cambios drásticos en la productividad biológica del Frente (Jiménez, 1982, 1983).

Pak y Zaneveld (1973, 1974) han sugerido que una extensión de las aguas frías y salinas de la Subcorriente Ecuatorial hacia el Este de las Islas Galápagos, determinaría un aporte permanente de agua fría a la región del Frente Ecuatorial, mientras que la Corriente Humboldt contribuiría con aportes de agua fría en forma estacional.

Con relación a los aspectos biológicos del Frente Ecuatorial, algunos trabajos han sido publicados con referencia a la producción primaria, fitoplancton y zooplancton. Caben citarse los trabajos de Jiménez (1976, 1978) quien ha encontrado que los valores bajos de clorofila a (0.2 mg/m3/día) registrados al norte estuvieron relacionados con las aguas tropicales calidas, mientras que los valores altos de clorofila (6 - 2 mg/m3) y de productividad (6.8-42.1 mg C/m3/día) (20-50 mg/m3) detectados al sur estuvieron asociados con el límite de las aguas más frías del Frente Ecuatorial. La descripción de las características planctónicas asociadas al Frente son presentadas con mayores detalles en el trabajo de Jiménez (1983) en esta misma reunión.

METODOS

Las muestras de ictioplancton analizadas en el presente trabajo han sido colectadas durante los cruceros de evaluación de recursos pesqueros pelágicos y prospección acústica, realizados a bordo del B/I "Tohallí" del Instituto Nacional de Pesca y en un barco de pesca perteneciente a la empresa privada; debido a ello no presentan una regularidad espacio-temporal.

En el año de 1980, durante los meses de septiembre y octubre, se muestrearon los 100 m superiores de la columna de agua, donde la profundidad del fondo marino lo permitió, usando la red Hensen de 300 u de malla.

En 1981 las colectas fueron realizadas en Febrero-Marzo y Agosto mediante arrastres oblicuos entre la superficie y los 140 m de profundidad utilizando redes cilíndricascónicas de 500 u de malla tipo CALCOFI.

En Junio de 1982, se muestreó a bordo del Barco Pesquero "Pacífico" con red Hensen de 300 u en la zona costera del Golfo de Guayaquil.

En Noviembre-Diciembre de 1982, se realizaron arrastres oblicuos desde los 140 m de profundidad, utilizando redes Bongo de 500 u de malla.

Se analizó además parte de la información obtenida en Enero de 1983, donde se siguió una metodología similar a la empleada en Noviembre-Diciembre 1982.

Con excepción de la red Hensen, en todas las redes se colocaron flujómetros para determinar el volumen del agua filtrada en cada arrastre. Todos los arrastres fueron llevados a una cantidad estandar de agua filtrada por unidad de profundidad, ajustando así el número de huevos y larvas obtenidos, a número de especímenes bajo 10 m2 de área de superficie del mar (Kramer et. al., 1972; Smith y Richardson, 1977).

Los huevos y las larvas de las diferentes especies fueron identificados y separados del total de la muestra. En la identificación se siguieron las descripciones de Kramer (1960) para macarela, y las de Santander y Castillo (1972), Houde y Fore (1973) y Balbontín y Garretón (1977) para los clupeidos.

Fig. 1

Fig. 1 DISTRIBUCION Y ABUNDANCIA DE HUEVOS DE MACARELA EN SEPTIEMBRE DE 1980.

Fig. 2

Fig. 2 DISTRIBUCION Y ABUNDANCIA DE HUEVOS DE MACARELA EN OCTUBRE 1980.

Fig. 3

Fig. 3 DISTRIBUCION Y ABUNDANCIA DE HUEVOS DE MACARE LA EN FEBREO Y MARZO DE 1981.

Fig. 4

Fig. 4 ABUNDANCIA RELATIVA DE HUEVOS DE MACARELA, SARDINA RECONDA Y SARDINA DEL SUR EN FEBRERO MARZO Y AGOSTO DE 1981. ESPRESADO EN TERMINOS DE POSCENTAJE DEL TOTAL DE HUEVOS.

La mayoría de las larvas denominadas en este trabajo como "otros clupeidos" han presentado características morfológicas y merísticas similares a aquellas señaladas para la sardina del sur. No obstante, en algunas estaciones se registraron además, larvas con número de miómeros inferiores (47-49) que fueron correspondientes al número de vértebras de ciertas especies de Ophistonema existentes en la región.

Los primeros estadíos de estas especies son poco conocidos y en vista de que los organismos que han predominado en las muestras presentan tallas muy pequeñas, el contaje de miómeros no ha sido muy útil para diferenciarlos y agruparlos como "otros clupeidos".

Las larvas de macarela y de "otros clupeidos" han sido clasificados por tallas para Febrero-Marzo de 1981, utilizando la longitud comprendida entre el hocico y el borde de la nortoconda.

Para el presente trabajo se han analizado en total 7 cruceros con un total de 115 muestras.

RESULTADOS

Macarela

En septiembre y octubre de 1980, los huevos de macarela estuvieron distribuidos hacia los 3°S desde el margen continental hacia el océano abierto y sus concentraciones fueron menores a 1 000 huevos 10 m-2 (Figs. 1, 2).

En febrero-marzo de 1981, constituyó un período de intenso desove, observándose dos áreas con importantes concentraciones de huevos; la una estuvo ubicada a los 0° y la otra entre los 3°S y al norte de Punta de Santa Elena.

La amplitud del desove abarcó hasta 60 millas fuera de la costa, concentrándose sobre la zona del talud en la región del sur (Fig. 3).

Las máximas concentraciones registradas (>10 000 huevos 10 m-2) se obtuvieron hacia el noroeste de las concentraciones, más allá de la plataforma continental.

Las elevadas densidades de huevos obtenidos durante esta época han evidenciado la importancia de la macarela en la región. Representó el 50.47% del total de huevos capturados (Tabla 1) y fue la especie predominante en las muestras de la región del norte, donde constituyó entre el 50-90% del total de huevos colectados por esta estación (Fig. 4).

TABLA 1.-ABUNDANCIA RELATIVA DE HUEVOS Y LARVAS DE MACARELA, SARDINA REDONDA, SARDINA DEL SUR Y DE "OTROS CLUPEIDOS" EN FEBRERO-MARZO Y AGOSTO DE 1981
HUEVOS (Porcentaje del total) LARVAS (Porcentaje del total)
CRUCEROS 1981MacarelaSardina redondaSardina del surOtros huevosMacarelaSardina redonda"Otros clupeidos""Otras larvas"
Febrero-Marzo50.472.2222.6324.6720.210.8027.4051.60
Agosto1.61  98.390.40 0.9398.67

French (1982), a partir de la información obtenida a través de las bitácoras de pesca encontró que esta especie fue el recurso más abundante capturado por la flota en 1981. En agosto del mismo año, los registros de huevos han sido escasos, con concentraciones inferiores a los 1 000 huevos 10 m-2 (Fig. 5). Su distribución estuvo restringida hacia los 3°S y consituyeron apenas un 1.61% en el porcentaje del total de huevos colectados durante el crucero (Tabla 1).

En 1982, no se detectaron huevos de macarela para el mes de junio y en noviembrediciembre, concentraciones entre 100-1000 huevos 10 m-2 fueron comunmente encontradas en una zona ubicada frente al Golfo de Guayaquil, al norte de los 3°S (Fig. 6).

Fig. 5

Fig. 5 DISTRIBUCION Y ABUNDANCIA DE HUEVOS DE MACARELA IN AGOSTO DE 1981.

Fig. 6

Fig. 6 DISTRIBUCION Y ABUNDANCIA DE HUEVOS DE MACARELA EN NOVIEMBRE-DICIEMBRE DE 1982.

Fig. 7

Fig. 7 DISTRIBUCION Y ABUNDANCIA DE HUEVOS DE MACARELA EN ENERO DE 1983.

Fig. 8

Fig. 8 DISTRIBUCION Y ABUNDANCIA DE LARVAS DE MACARELA, SARDINA REDONDA Y OTROS CLUPEIDOS EN SEPTIEMBRE Y OCTUBRE DE 1980.

Fig. 9

Fig. 9 DISTRIBUCION Y ABUNDANCIA DE LARVAS DE MACARELA, SARDINA REDONDA Y OTROS CLUPEIDOS EN FEBRERO-MARZO Y AGOSTO DE 1981

En Enero de 1983, huevos de esta especie (<1 000 huevos 10 m-2) han sido detectados en una sola estación localizada al sur de los 3°S (Fig. 7).

La distribución de las larvas estuvo en relación con las de las áreas de reproducción, pero su agrupamiento fue menor.

Concentraciones muy bajas (<100 larvas 10 m-2) fueron registradas durante los meses de septiembre y octubre 1980, agosto de 1981 y enero de 1983 y más altas (>1000 larvas 10 m-2) durante febrero-marzo 1981 y noviembre-diciembre 1982 (Figs. 8-11).

En Febrero-Marzo representaron un 20.21% del total de larvas capturadas, mientras que en agosto del mismo año su porcentaje se limita a un 0.40% (Tabla 1).

Las tallas más comunes en la población larval de febrero-marzo fueron aquellas comprendidas entre los 2.50 mm -3.49 mm (Tabla 2) correspondientes a los organismos en fase de primera alimentación (Hunter y Kimbrel, 1980).

En los análisis de larvas, también se ha manifestado la predominancia de esta especie hacia el Norte de Santa Elena durante febrero-marzo (Fig. 12).

Sardina Redonda

Huevos y larvas de sardina redonda han sido obtenidos únicamente en los arrastres de octubre de 1980, febrero-marzo de 1981 y noviembre-diciembre de 1982.

En octubre de 1980, el desove fue registrado entre los 1°S y Pta. Santa Elena (Fig. 13) mientras que en febrero-marzo y noviembre-diciembre la zona situada alrededor de Pta. Santa Elena constituyó el principal centro de desove (Figs. 14 y 15).

En febrero-marzo, la distribución del desove se extendió hasta los 0° en un patrón más continuo que el de macarela (Fig. 14).

Los huevos generalmente se encontraron en concentraciones inferiores a 1 000 huevos 10 m-2, aunque en noviembre-diciembre de 1982 se obtuvieron registros superiores a los 1 000 huevos 10 m-2.

Las larvas concurrieron en las mismas áreas de distribución de las larvas de macarela en concentraciones inferiores a 100 larvas 10 m-2 (Figs. 8, 9, 10). Solo en noviembrediciembre de 1982 se obtuvieron valores superiores a 100 larvas 10 m-2 (Fig. 10).

La sardina redonda fue en general la especie que se mostró menos abundante en la región; en febrero-marzo representó un 2.22% del total de huevos capturados y un 0.80% del total de larvas.

Sardina del Sur

Huevos de Sardina del sur han sido registrados únicamente en septiembre de 1980 y marzo de 1981.

En septiembre el desove fue pobre (<1 000 huevos 10 m-2) y estuvo limitado a 3 registros detectados sobre los 3°S frente al Golfo de Guayaquil (Fig. 16).

En febrero-marzo de 1981, el desove fue intenso (>6 000 huevos 10 m-2), en el área costera alrededor de Pta. Santa Elena y escaso hacia los 0°S fuera de la Costa (Fig. 17). Ello coincide con lo expresado por French y Menz (1982), de que en las capturas de enero a abril, la Sardina del sur presentó en el Golfo de Guayaquil una distribución más costera que la macarela.

Constituyó el 22.63% del total de huevos colectados durante esta época (Tabla 1).

Otros Clupeidos

Larvas de clupeidos han sido colectadas en todos los meses monitoreados. Concurrieron en las mismas áreas de distribución de las larvas de macarela durante 1980 y 1981 (Figs. 8, 9) y en 1982 y 1983 su distribución fue particularmente costera (Figs. 10 y 11).

Fig. 10

Fig. 10 DISTRIBUCION Y ABUNDANCIA DE HUEVOS DE MACARELA EN ENERO DE 1983.

Fig. 11

Fig. 11  DISTRIBUCION Y ABUNDANCIA DE LARVAS DE MACARELA Y OTROS CLUPEIDOS EN ENERO DE 1983.

Fig. 12

Fig. 12 ABUNDANCIA RELATIVA DE LARVAS DE MACARELA, SARDINA REDONDA Y OTROS CLUPEIODOS EN FEBERO-MARZO Y AGOSTO DE EXPRESADA EN PORCENTAJE DEL TOTAL DE HUEVOS COLECTADOS

Fig. 13

Fig. 13 DISTRIBUCION Y ABUNDANCIA DE HUEVOS DE SARDINA REDONDA EN OCTUBRE DE 1980.

Fig. 14

Fig. 14 DISTRIBUCION Y ABUNDANCIA DE HUEVOS DE SARIDINA REDONDA EN FEBRO Y MARZO 1981.

Durante septiembre, octubre, agosto, noviembre y diciembre, estas larvas fueron menos abundantes (<1 000 larvas 10 m-2) mientras que en Febrero-Marzo alcanzaron sus mayores densidades (>1 000 larvas 10 m-2) y fueron las larvas más abundantes de la región sur (Fig. 12). Su porcentaje fue del 27.40% en la captura total.

DISCUSION

Marcadas diferencias han sido detectadas en el desove de las tres especies entre Agosto, que corresponde a la época fría, y Febrero-Marzo, correspondiente a la época Cálida. Al parecer, el desove en general fue abundante y extenso durante los meses de la época cálida y pobre durante la época fría.

French y Menz (1982) analizando los registros de las capturas de macarela y sardina del sur han encontrado que estas especies extienden su rango de distribución hacia el norte a partir de Octubre, alcanzando su máxima extensión en los meses de Febrero y Marzo.

TABLA 2.-LARVAS DE MACARELA, FEBRERO-MARZO 1981*

ESTACION

Clase
Long.standar (mm)
T81-107T81-109T81-117T81-118T81-120T81-123T81-124T81-126T81-128T81-130T81-135T81-139T81-141T81-145T81-150TOTAL
1.50-2.495 17230291- 2046771110  554
2.50-3.4962269495420627594519224119  1682
3.50-4.49 11173839813-126 23272 717
4.50-5.49  4385-13    45 4 154
5.50-6.491   1517 2    2 28
6.50-7.49      3       14
7.50-8.49      1        1
8.50-9.49                
9.50-10.49                
10.50-11.49                
11.50-12.49                
12.50-13.49                
13.50-14.49                
14.50-15.49                
15.50-16.49                
16.50-17.49              11
17.50-18.49              11
Total12330776694777316335586572236833142

* Los números estan expresádos en No de Travas por arrastre.

La extensión en la distribución de estas especies hacia el norte se ha manifestado con más amplitud en el desove, dicho comportamiento estaría relacionado con los requerimientos reproductivos de las especies. Las variaciones espacio-temporales observadas en los desoves mostraron una estrecha relación con los cambios estacionales que se produjeron en el océano.

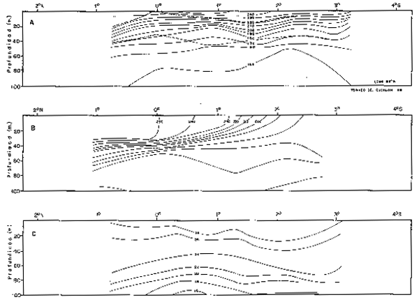
La distribución de las isotermas en la columna de agua muestran la máxima estratificación en Febrero-Marzo, encontrándose un fuerte gradiente (25°C - 17°C) muy superficial que se extendió desde los 1°N hasta los 3°S sobre los 50 metros superiores (Fig. 18a) (Cucalón, 1981). Evidentemente, existió en esta época aporte efectivo de aguas frías ricas en nutrientes, desde las capas subsuperficiales hacia la zona eufótica que favorecieron la producción primaria. Elevados valores de clorofila a en superficie (>5 mg/m3) han sido registrados a lo largo de toda la costa durante Febréro-Marzo de 1981 (Jiménez, 1983).

Las floraciones ("bloom") de Mesodinium rubrum (2.6 x 105 cell/litro) que fueron registradas también entre los 0° y 3°S durante Febrero-Marzo de 1981 (Arcos, 1982) estuvieron relacionadas a las áreas de los máximos desoves.

Fig. 15

Fig. 15 DISTRIBUCION Y ABUNDANCIA DE HUEVOS DE SARDINA REDONDA EN NOVIEMBRE-DICIEMBRE DE 1982.

Fig. 16

Fig. 16 DISTRIBUCION Y ABUNDANCIA DE HUEVOS DE SARDINA DEL SUR EN SEPTIEMBER DE 1980.

Fig. 17

Fig. 17 DISTRIBUCION Y ABUNDANCIA DE HUEVOS DE SARDINA DEL SUR EN FEBRERO-MARZO DE 1981.

En estos meses los desoves fueron abundantes y las mayores concentraciones de huevos estuvieron distribuidas entre los 0° y los 3°S a lo largo de la Costa ecuatoriana.

En Agosto de 1981, en cambio se detectó una capa homogénea de 25°C sobre los 30 metros superiores hacia los 0° y la formación del frente hacia el sur (Fig. 18 b) (Cucalón, 1981a). En este mes, el fuerte gradiente térmico vertical se observó a mayor profundidad y el aporte de aguas frías hacia las capas más superficiales estuvo limitado únicamente a la región del frente en un flujo hacia afuera de la costa.

Jiménez y Bonilla (1980), encontraron una elevada productividad en la región del Golfo de Guayaquil asociada con la formación del frente y el aporte de las aguas frías del sur.

En Agosto de 1981, los altos valores de clorofila a en superficie (>0.5 mgr/m3) y las floraciones de M. rubrum estuvieron localizados hácia el Sur (Arcos, 1982). En este mes el desove fue pobre y restringido al sur del Frente Ecuatorial.

Evidentemente la estabilidad de la columna de agua ha sido la característica determinante para un abundante desove en estas especies, correspondiéndole al verano, la época principal de desove.

Lasker (1975), ha manifestado que existe una estrecha relación entre la estabilidad en la columna de agua, el tamaño y la agregación de las partículas alimenticias y la supervivencia larvaria y encontró que un ambiente costero menos turbulento fue el más favorable para la alimentación de las pequeñas larvas de anchoveta del norte en las costas de California.

Parrish et al. (1981), han manifestado que muchas de las especies de peces costeros presentan una estrategia reproductiva adaptada a las corrientes, desovando en áreas ubicadas hacia arriba del flujo de las corrientes en las épocas en donde existe un mayor transporte hacia la costa, que es donde se encuentra el alimento adecuado para la alimentación de las pequeñas larvas.

En nuestra región poco es conocido sobre la circulación costera y el transporte Ekman, pero del análisis de las propiedades físicas, químicas y biológicas del oceáno y de las condiciones ambientales de la región, parecería que en la época del verano, al decrecer la intensidad de los vientos del sureste y de la Corriente de Humboldt, se produce una mayor calma en el océano y el flujo hacia la costa prevalece, lo cual favorece la concentración costera del alimento. La extensión de la distribución de los huevos de S. japonicus, E. teres y S. sagax hacia el norte, y la concentración de sus larvas en la zona costera durante la época de los mayores desoves indicarían que estas especies manifestaron una estrategia similar en la región y que una buena supervivencia larvaria se esperaría para el año 1981.

En los meses de Noviembre-Diciembre de 1982 y Enero de 1983, coincidentes con el fenómeno "El Niño" que ocurrió en esta región, se observaron cambios muy particulares en el desove de estas especies.

En Noviembre-Diciembre, los huevos de macarela, que han sido generalmente los más abundantes en la región, se presentaron en concentraciones inferiores a los 1 000 huevos 10 m-2 (Fig. 6), mientras que los huevos de sardina redonda, que generalmente han sido escasos en la región, presentaron las máximas concentraciones (> 1 000 huevos 10 m-2) de todos los cruceros analizados en este trabajo. No se registraron huevos de sardina del sur.

En Enero de 1983, cuando, según los análisis de madurez sexual de la macarela (Arriaga, comunicacion personal) se esperaba obtener registros de huevos de esta especie en el océano, se observó que los desoves estuvieron restringidos a una sola estación en un área localizada muy costera al sur del Golfo, donde coincidió con un único máximo de fitoplancton. Los huevos de las otras especies no fueron detectados en este mes.

Fig. 18

Fig. 18. DISTRIBUCION DE LAS ISOTERMAS (°C) SOBRE LOS 100 M. SUPERIORES DE LA COLUMNA DE AGUA EN, 1a FEBRERO-MARZO 1981, 1b AGOSTO 1981, 1c FEBRERO 1983.

El análisis de la distribución de las isotermas sobre los 100 metros superiores en la línea 82°W, durante Febrero de 1983 ha revelado que las condiciones en este verano han sido muy diferentes a las del verano de 1981, se detectó la penetración de las aguas cálidas hacia los estratos subsuperficiales, con la isoterma de 26°C distribuida a los 40 metros de profundidad (Fig. 18 c). Ello sugeriría que una mala supervivencia larvaria se espera para el año 1983.

El análisis de la distribución y abundancia del desove de cada una de las especies en particular ha indicado:

-     La abundancia de la macarela en la región y su carácter circuntropical. Sus huevos fueron capturados en todas las encuestas y presentó el rango de mayor distribución.

-     La escasa abundancia de sardina redonda y su mayor vinculación con aguas cálidas. Las mayores concentraciones de sus huevos han sido registrados en Noviembre-Diciembre, 1982, durante "El Niño".

-     El carácter más subtropical de la sardina del sur. Los huevos estuvieron presentes únicamente en Septiembre de 1980 y Febrero-Marzo de 1981, cuando existieron aportes superficiales o subsuperficiales de aguas frías en la región.

AGRADECIMIENTO

Deseo dejar constancia de mi agradecimiento a las personas que colaboraron en la recolección y separación de las muestras, la elaboración de los gráficos, y la corrección y el tipeado del manuscrito, las mismas que de una u otra manera han hecho posible su presentación. Especial reconocimiento al Doctor Roberto Jiménez S., Director del Instituto Nacional de Pesca, por el apoyo y estimulo proporcionado a los estudios del Ictioplancton en el Ecuador.

REFERENCIAS

Ahlstrom, E.H. 1971 Kinds and abundance of fish larvae in the Eastern Tropical Pacific based on collections made on Eastropac I. U.S.Fish and Wild.Serv.Fish.Bull. 69(1):3-77.

Ahlstrom, E.H. 1972. Kinds and abundance of fish larvae in the Eastern Tropical Pacific on the Second Multivessel Eastropac survey and observations on the annual cycle of larval abundance. U.S.Fish and Wildl.Fish.Bull. 70(4):1153-1242.

Arcos,J.1982. Mareas rojas en aguas ecuatorianas. Rev.de Cicencias del Mar y Limnología, Inst.Nac.Pesc. 1(2).

Balbontín, F. y M. Garretón. 1977. Desove y primeras fases de desarrollo de la sardina española Sardinops sagax musica en Valparaíso. Rev.Biol.Mar.Dep.Oceanol.Univ.Chile. 16(2):171-181.

Cajas, L. y D. Hinostroza. 1981. Huevos y larvas de clupeidos y engráulidos en el Golfo de Guayaquil. Rev.Cienc.Mar y Limnol.Inst.Nac.Pesc. 1(1):37-47.

Cucalón, E. 1981. Informe de las condiciones oceanográficas observados durante el crucero T/81/1. Informe Interno Inst.Nacional de Pesca. Guayaquil, Ecuador.

Cucalón, E. 1981a. Informe de las condiciones oceanográficas observadas durante el crucero T/81/3. Informe Interno Inst.Nacional de Pesca. Guayaquil, Ecuador.

Enfield, D. 1976. Oceanografía de la región Norte del Frente Ecuatorial: aspectos físicos. Reunión de Trabajo sobre el fenómeno conocido como "El Niño". Guayaquil, Ecuador, 4-12 Diciembre de 1974. FAO, Inf.Pesca. (185):411 p.

French, S. 1982. Resultados obtenidos de los libros-bitácoras de pesca de morenilla, sardina y pinchagua durante 1981. Bol.Inf.Inst.Nac.Pesca. 3(1):6-26.

French, S. y A. Menz. 1982. La pesquería para peces pelágicos en el Ecuador y la distribución de las capturas en relación con factores ambientales. Seminario Regional sobre Recursos Pelágicos y sus pesquerías en el Pacífico Sudeste. X Reunión de COCIC, Guayquil, 25-29 octubre 1982. Com.Perm.Pacif.Sur.

Houde, E.D. y P.L. Fore. 1973. Guide to identity of eggs and larvae of some Gulf of Mexico clupeid fishes. Leafl.Serv.Mar.Res.Lab.Fla.Dept.Nat.Resour. (23):1-14.

Hunter, J.R. y C.A. Kimbrell. 1980. Early life history of Pacific mackerel. Fish.Bull.U.S. 78(1):89- 101.

Jiménez, R. 1976. Oceanografía de la Región Norte del Frente Ecuatorial: aspectos biológicos. Reunión de Trabajo sobre el fenómeno conocido como "El Niño". Guayaquil, Ecuador, 4-12 diciembre de 1974. FAO, Inf.Pesca. (185):411 p.

Jiménez, R. 1978. Mise en évidence de l'upwelling équatorial a l'est des Galapagos. Cah. ORSTOM, Sér.Oceanogr. XVI(2):137-155.

Jiménez, R. 1982. The 1976 El Niño: biological response off Ecuador. Paper presented at the Joint Oceanographic Assembly. August, 1982. Halifax, Canada.

Jiménez, R. Variabilidad de las condiciones oceanográficas en el área del Frente Ecuatorial. (This volume).

Jiménez, R. y D. Bonilla. 1980. Composición y distribución de la biomasa del plancton en el Frente Ecuatorial. Acta Oceanogr.del Pacifico. Vol.1(1):19-64.

Kramer, D. 1960. Development of eggs and larvae of Pacific mackerel and distribution and abundance of larvae, 1952-56. U.S.Fish and Wild.Serv.Fish.Bull. 174(60):389-438.

Kramer, D., M.J.Kalin, E.G. Stevens, J.R. Thrailkill y J.R.Zweifel. 1972. Collecting and processing data on fish eggs and larvae in the California Current Region. NOAA Tech.Rep.N.M.F.S.Circ. (370):38 p.

Lasker, R. 1975. Field criteria for survival of anchovy larvae: the relation between in shore chlorophyll maximum layers and succesful first feeding. Fish.Bull.U.S. 73(3):453-462.

Miro, M., H. Ayon y B. Benites. 1976. Morfología y estructura del margen continental del Ecuador. Publ.Inst.Ocean.Armada (INOCAR).

Miro, M., V. Coronel, I. Franco y J. Cuenca. 1977. Morfología y sedimento de la plataforma continental de la Provincia de Esmeraldas, Ecuador. Publ.Inst.Ocean.Armada (INOCAR).

Pak, H. y J.R.V. Zaneveld. 1973. The Cromwell Current on the east side of the Galapagos Islands. J.Geophys.Res. 78(33).

Pak, H. y J.R.V. Zaneveld. 1974. Equatorial front in the Eastern Pacific Ocean. J.Phys.Oceanogr. (4):570-578.

Parrish, R.H., C.S. Nelson y A. Bakun. 1981. Transport mechanisms and reproductive success of fishes in the California Current. Biol.Oceanogr. 1(2):175-203.

Peribonio, R.G., R. Repelin, M.L. Cruz, D. Hinostroza y M.E. Villarroel. 1981. Estudio ecológico del mesoplanction del Golfo de Guayaquil. Abundancia, Ciclos nictemerales y relaciones entre el estuario del río Guayas y el Océano. Bol.Cient.Técn.Inst.Nac.Pesca. 4(2).

Santander, H. y O.S. de Castillo. 1972. Distribución de huevos y larvas de Caballa Scomber japonicus peruanus (Jordan y Hubbs) en la costa peruana. Inst.del Mar.Serie de Inf.Espec.No.IM-103.

Smith, P. 1980. Fisheries on coastal pelagic schooling fish. In Marine Fish Larvae (R. Lasker, ed.). University Washington Press.

Smith, P. y S.L. Richardson. 1977. Standard techniques for pelagic fish egg and larval survey. FAO Fish.Tech.Pap. (175):100 p.

Stevenson, M.R., G.O. Guillén y J. Santoro de Ycaza. 1970. Marine atlas of the Pacific coastal waters of South America. University of California Press, Berkley and Los Angeles.

Wooster, W.S. 1969. Equatorial front between Peru and Galapagos. Deep-Sea Res. 16:407-419.

Wyrtki, K. 1966. Oceanography of the eastern equatorial Pacific Ocean. pp. 33-68. In Annual Reviews of Oceanography and Marine Biology, Vol.4. Annual Review, Inc., Palo Alto, California.

SOUTH EAST PACIFIC - PACIFICO SUDORIENTAL

EL AMBIENTE MARINO Y LAS FLUCTUACIONES DE LAS PRINCIPALES POBLACIONES PELAGICAS DE LA COSTA PERUANA

Por

S. Zuta y I. Tsukayama
Instituto del Mar del Perú (IMPARPE)
Apartado 22
Callao
Perú

y

R. Villanueva
Pesca Perú
Apartado 2881
Lima
Perú

Summary

The large changes which occur in the 0-500 m layer and particularly the upper mixed layer are presented, which play important roles in the currents, coastal upwelling, mixing processes and both vertical and horizontal thermal gradients. Emphasis is given to seasonal variations, and processes occuring in abnormally warm or cool periods and the responses to these changes by the major fishery resources such as anchoveta (Engraulis ringens); sardines (Sardinops sagax sagax); jack mackerel (Trachurus murphyi); and mackerel (Scomber japonicus peruanus), particularly referring to their distributions, behaviour and availability to fisheries.

INTRODUCCION

El régimen hídrico de la costa peruana tiene un alto nivel de producción biológica y soporta una fauna variada, distribuida en una franja relativamente angosta de 50-100 millas de ancho. La ictiofauna registrada para el mar peruano sobrepasa las 700 especies (Chirichigno, 1974), siendo cuatro las especies pelágicas que por su abundancia constituyen en la actualidad los recursos explotados de mayor importancia comercial y a las cuales nos referiremos en la presente contribución. Ellas son la anchoveta (Engraulis ringens), sardina (Sardinops sagax), jurel (Trachurus symmetricus murphy) y caballa (Scomber japonicus).

El régimen hídrico está controlado por dos fenómenos de características y efectos opuestos: el afloramiento costero y El Niño, que tienen variaciones dominantes estacionales e interanuales. Las variaciones estacionales muestran el contraste entre el verano (enero, febrero, marzo) y el invierno (julio, agosto, septiembre). El otoño (abril-julio) es algo similar al verano y la primavera (octubre-diciembre) algo similar al invierno. Las variaciones interanuales o de baja frecuencia, como El Niño o el anti-El Niño, juegan un rol importante en las fluctuaciones de la pesquería, reflejadas por las fluctuaciones de los desembarques anuales para el período 1951-82 (Fig. 1).

El afloramiento costero es el mecanismo principal en la cadena alimenticia del mar y está asociado al régimen de los vientos Alisios del Sureste (ASE), a las corrientes submarinas ricas en nutrientes inorgánicos, a la topografía de la plataforma continental y la orientación de la línea costera (O'Brien y Furlburt, 1972). El Fenómeno El Niño se presenta en períodos irregulares de tiempo (que oscilan generalmente entre 7 y 16 años), produciendo cambios bruscos y temporales en el régimen hídrico, particularmente en la capa superficial por encima de los 100 m de profundidad, con calentamientos desusuales del mar, y desplazamientos desusuales de aguas superficiales de la región ecuatorial y de la región subptropical hacia la costa peruana.

Los recursos vivos del mar están sujetos a la depredación natural y del hombre, y su distribución y abundancia dependen en buena medida de las condiciones físicas y químicas del medio marino, siendo particularmente importantes en este sentido la temperatura, la salinidad y el oxígeno disuelto.

En los últimos años se han desarrollado estudios multidisciplinarios con participación internacional frente al Perú, tales como el Joint II del CUEA y la Investigación Cooperativa de la Anchoveta y su Ecosistema (ICANE), los que han permitido importantes avances, pudiendo citarse los trabajos de Brink et al. (1981), de Codispoti y Packard (1980).

En el presente trabajo se da énfasis a los cambios estacionales e interanuales en el período 1970-83 respecto a los patrones generales de distribución de los principales parámetros físicos del mar y de los principales recursos pelágicos tales como la anchoveta, la sardina, el jurel y la caballa, con una breve mención a otros recursos ligados al ecosistema costero. Se discuten los efectos del Fenómeno El Niño en los recursos pesqueros, particularmente del evento 1982-83.

LOS DATOS Y SU TRATAMIENTO

Los datos básicos referentes al ambiente son temperatura (T), salinidad (S), oxígeno disuelto (O2), corrientes marinas (CM) y vientos (W). Los datos de T (°C), y S (0/00) se presentan en la forma de mapas de superficie, secciones verticales, perfiles verticales y diagramas T-S. Los datos de O2(ml/L) se presentan en perfiles verticales de verano e invierno de cuatro áreas seleccionadas (Chimbote, Callao, San Juan e Ilo), para destacar la capa mínima de oxígeno en la parte de mayor impacto de la costa peruana. Las corrientes se presentan en mapas esquemáticos, en mapas de trayectoria de boyas oceanográficas a la deriva, en mapas seleccionados de topografía (m) de la isoterma de 15°C. La Fig. 2 muestra las áreas seleccionadas y la cobertura de datos hidrográficos.

Para determinar la distribución y composición por especies de los principales recursos pelágicos, se han examinado las capturas de 3213 calas efectuadas durante 27 prospecciones Eurekas y 11 cruceros, entre septiembre 1972 y marzo 1983. Todas las calas se han efectuado con redes pelágicas y cubren una banda de hasta 80-100 millas mar afuera.

Fig. 1.

Fig. 1. Desembarques anuales de Anchoveta, Sardina, Jurel y Caballa en la costa peruanna durante 1951-82

Annual landings of Anchoveta, Sardina, Jurel and Caballa off the Peruvian coast, during 1951-82

Fig. 2.

Fig. 2. Cobertura de los datos oceanográficos y ubicación de estaciones costeras.

Fig. 3.

Fig. 3 Varlaciones mensuales de la TSM (C) de estaciones a lo largo de la costa peruana en el perlodo Jullo 1981 - Manzo 1983. (PP·Promedio Patrón

Fig. 4(a)

Fig. Promedios anuales de la T.S.M. de Pto. Chicama.

Fig. 4 (a)

Fig. 4(b)

Fig. 4 (b) Variaciones de los promedios anuales de TSM (°C) en las estaciones a 10 largo de la costa peruana.

Para determinar la extensión del área de distribución, así como el grado de concentración de cardúmenes de anchoveta, se ha empleado información de detección acústica y abundancia relativa proveniente de las operaciones Eureka.

Las estadísticas de desembarque provienen del Ministerio de Pesquería, de las publicaciones de IMARPE y de los archivos de los respectivos departamentos de investigación y Laboratorios Costeros de IMARPE, así como de los Anuarios Estadísticos de FAO.

Los estimados de biomasas han sido obtenidos de publicaciones del IMARPE o de informes no publicados sobre la evaluación de los recursos pesqueros elaborados por el IMARPE para el Ministerio de Pesquería.

EL REGIMEN HIDRICO Y SUS VARIACIONES

Las condiciones oceanográficas en la capa por encima de los 1000 m de profundidad están condicionadas por la interacción de aguas procedentes de la región ecuatorial, la región subtropical y la región subantártica, dentro de un sistema de corrientes superficiales y submarinas y el afloramiento costero asociado al régimen de los vientos alisios del suroeste.

Como característica propia de la circulación en el margen oriental del Pacífico (Stommel, 1948), las corrientes frente al Perú son lentas y de poco transporte, lo que favorece los cambios temporales. En determinados períodos los cambios son espectaculares, como en los casos del evento El Niño, de enormes efectos socio-ecónomicos. De particular interés es el evento El Niño 1982-83 que tiene características singulares y que ha conmovido la economía del país y la colaboración internacional.

Las variaciones se presentan en diferentes escalas de tiempo y espacio; pero en este trabajo sólo se discuten las variaciones estacionales o interanuales que son dominantes en el área de estudio y de gran incidencia en la distribución, abundancia y fluctuaciones de los recursos pesqueros, particularmente de los recursos pelágicos.

Temperatura Superficial del Mar (TSM)

a)    Características normales. En la Fig. 3 se muestran los patrones de distribución de 9 estaciones fijas a lo largo de la costa, y los cambios ocurridos en dichos lugares en el período de julio 1981 a abril 1983. Se aprecia que normalmente las temperaturas más elevadas se presentan en febrero (Talara, Chicama, Pisco, San Juan y Pta. Coles) o marzo (Paita, Chimbote, Don Martín y Callao), y las más bajas principalmente en septiembre y en algunos casos en agosto (Pisco), octubre (Callao) y noviembre (Chicama), con un rango mayor en Talara (4.1°C), Paita (5.0°C) y Chimbote (4.2°C) y menor en San Juan (2.5°C) y Pta. Coles (2.5°C).

El enfriamiento dura de 6 a 9 meses, a un ritmo variado. Es más rápido en Talara, Paita, Chimbote y Pisco. El calentamiento dura de 3 a 6 meses y es generalmente más rápido que el enfriamiento, especialmente en Chicama y Chimbote. El calentamiento se produce de manera ininterrumpida; pero el enfriamiento sufre interrupciones en algunos lugares con los picos de calentamiento secundario que se presentan en Chimbote (agosto), Callao (junio) y Pta. Coles (julio), los que son denominados (Mugica, 1972) veranillos de invierno.

En la Fig. 4 se presentan las variaciones de los promedios anuales de la TSM, correspondientes a las mismas estaciones costeras mencionadas en el párrafo anterior. El promedio patrón anual (PPA) da una idea de las desviaciones respecto al patrón. Tomando como estaciones básicas de referencia a Talara, Chicama, Chimbote, I. Don Martín y Callao (ver ubicación en Fig. 2), podemos ver que los picos con desviaciones positivas de 1°C o más en por lo menos 3 de ellas corresponden a los años 1925, 1930, 1941, 1948, 1953, 1957, 1965, 1972, 1976 y 1982, catalogados muchos de ellos como de eventos de El Niño de intensidad fuerte y moderada (Quinn et al., 1982; Zuta et al., 1976; etc.). Los picos de desviaciones negativas con valores absolutos de 1°C o mas, en por lo menos en 3 estaciones, corresponden a los años 1933, 1938, 1950, 1964, 1968, 1971 y 1975. Los anos de condiciones más próximas a lo normal corresponden a los períodos 1931-32, 1945-46, 1960-61 y 1978. Hay pues, una secuencia de períodos normales (promedio o patrón), fríos y cálidos que ocurren a intervalos irregulares de tiempo y con intensidades diferentes.

Fig. 5 (a)
Fig. 5 (b)
Fig. 6 (a)
Fig. 6 (b)
Fig. 7 (a)
Fig. 7 (b)
Fig. 8

Los gráficos de la Fig. 5 (a, b) y 6 (a, b) correspondientes a dos cruceros oceanográficos de 1981 (Rivera, 1982; Flores, 1982), se han seleccionado como respresentativos de un verano e invierno típicos o normales (hubiera sido deseable tomar 1978, pero no hay cruceros apropiados para ese año). Estos muestran los cambios extremos que se producen entre el verano e invierno.

En el verano (Fig. 5a) las isotermas de 16-24°C desarrollan una fuerte gradiente horizontal dentro de las 40-100 millas de la costa, mucho más intensa entre los 14°-17°S, en asociación con el afloramiento costero y la aproximación de aguas calientes oceánicas, particularmente frente a San Juan (15°S), donde se concentran 8 isotermas (16° -23°C) en una banda de 35 millas. Más allá de esta banda de contraste térmico, las isotermas de 24 a 27°C presentan un gradiente suave. La isoterma de 20°C se extiende a lo largo de gran parte de la costa y muy cerca a ella, con dos interrupciones, una alrededor de Paita (5°S) y otra entre Pimentel-Salaverry (7-8°S).

En el invierno (Fig. 5b) la situación es notablemente diferente, con un gradiente horizontal muy débil y sólo apreciable con las isotermas de 15-17°C dentro de las 50 millas de la costa. La isoterma de 17°C que en el verano se extiende entre Pisco-Atico (14-16°S), en el invierno se extiende entre Paita-Mollendo (5-17°S). La isoterma de 20°C que en el verano aparece muy pegada a la costa, en el invierno se hace presente más allá de las 240 millas de la costa, en el lugar que ocupaba la isoterma de 27°C en el verano. El área de afloramiento entre Pisco y Atico aparece en el verano con temperaturas de 16-17°C, y en el invierno con temperaturas de 14-16°C y en el invierno es también notable el afloramiento entre Paita-Pta. Falsa (5-6°S), con temperaturas menores de 17°C.

Las variaciones medias del verano al invierno son menores de 5°C cerca de la costa y pueden exceder de 10°C lejos de la costa (Zuta y Urquizo, 1972), este último caso en asociación con la lengua caliente que se desarrolla de octubre a abril con el eje a 150-300 millas de la costa, disminuyendo de distancia hacia el sur hasta pegarse a la costa chilena entre los 20-23°S como se puede ver en las cartas de Wyrtki (1964). De diciembre a marzo esta lengua muestra una transgresión ecuatorial al este de las Islas Galápagos, que rompe el frente ecuatorial.

b)    Características de un período de frío de anti-El Niño. Las Figs. 7, 8 y 9 muestran las condiciones de verano e invierno, respectivamente en un período frío o de anti-El Niño.

La Fig. 7 a corresponde al verano de un período frío. Muestra temperaturas de 16 a 26°C dentro de las 300 millas, con un gradiente horizontal notable dentro de las 80 millas entre los 6-14°S (isotermas de 17-23°C), y dentro de las 45 millas entre 14-18°S (isotermas de 16-23°C). La lengua caliente de verano presenta su eje a 120-250 millas de la costa, con una aproximación hacia el sur y es interrumpida frente a Pisco aparentemente para el afloramiento en esta zona. Las temperaturas bajas a los 83°W frente a Talara son resultado del afloramiento costero entre Talara-Pta. Falsa. Las temperaturas más altas en la parte costera al norte de Talara están asociadas con la extensión del frente ecuatorial que se destaca claramente por la salinidad. La isoterma de 20°C se extiende alrededor de las 20 millas de la costa entre los 6-18°S.

En el invierno de 1970 (Fig. 9a), la TSM presenta valores de 13 a 17° entre los 4°30'-18°30'S y dentro de las 130 millas de la costa. Las temperaturas atlas de 18 a 24°C en la parte costera al norte de Talara, están relacionadas con el frente ecuatorial que se destaca aún más con las salinidades bajas como se describe en el subtítulo que sigue. La isoterma de 15°C que se extiende entre Talara-Pta. Falsa y prácticamente en forma interrumpida entre Pimentel-Ilo. Refleia el desarrollo notable del afloramiento en gran parte de la costa peruana, con los focos principales alrededor de Paita, frente a Pimentel, Chimbote, Callao, Pta. Caballas y sur de Ilo. El afloramiento frente a Pisco, evidentemente el más intenso, presenta cerca de la costa temperaturas ligeramente menores de 13°C. La isoterma de 15°C al norte de los 6°S revela también un afloramiento intenso en esta parte.

c)    Características de un período cálido o de El Niño. Las Figs. 10a y 10b muestran las características del verano e invierno en períodos de evento El Niño. En el verano (Fig. 10a) la superficie del mar presenta temperaturas de 21-29°C al norte de los 12°S y dentro de las 200 millas, con la isoterma de 25°C muy pegada a la costa hasta los 9°S (Chimbote). En la parte sur la franja de 120 millas presenta temperaturas de 15-26°C, con la mínima alrededor de Pta. Caballas. El gradiente térmico más intenso aparece entre Pta. Caballas e Ilo, como efecto del afloramiento prevaleciente y la aproximación de la lengua caliente mencionada anteriormente y que en este caso es de mayor intensidad y mayores temperaturas. La isoterma de 20°C sólo aparece entre Cerro Azul (13°S) y Mollendo (17°S) y al sur de Ilo.

Fig. 9

En el invierno (Fig. 10b) los datos muestran un ligero enfriamiento de agosto a septiembre con las aguas más calientes al norte de los 12°S (Callao) con temperaturas de 17-21°C dentro de las 150 millas. Al sur de dicha latitud las temperaturas fueron de 15.0 a 17.5°C y la isoterma de 16°C se extendió en un área reducida. Los núcleos principales de afloramiento se presentaron frente a Salaverry (8°S), Supe (11°S), San Juan (15°S) y Atico (16°S). Las aguas oceánicas muestran temperaturas apreciablemente más altas de lo que ocurre en un año normal o aproximadamente normal como 1981 (Fig. 5b).

Salinidad Superficial del Mar (SSM)

a)    Características normales. Las Figs. 6a y 6b muestran las características de salinidad de verano e invierno del ano 1981 catalogado como un año de tendencias predominantemente normales. En el verano (Fig. 6a) las salinidades mayores de 35. 1°/00, correspondientes a las aguas subtropicales superficiales (ASS), predominan al sur de los 6°S y más allá de las 60 millas. Las aguas con salinidades menores de 35.0°/00 resaltan dentro de las 60 millas y se extienden a mayores distancias de la costa al norte de los 6°S, como propagación de las aguas de baja salinidad de la región ecuatorial. La franja costera entre los 6-14°S resalta por ser bastante homogénea, en tanto que la parte al sur de los 16°S es notable por el gradiente intenso de salinidad, al parecer resultante del encuentro de las aguas de descarga de los ríos en la época de verano y la aproximación de las aguas sub-tropicales superficiales (ASS).

La situación cambia bastante en toda la costa en invierno (Fig. 6b). Dentro de las 120-200 millas las aguas son notablemente homosalinas al sur de los 9°S (Chimbote). Las ASS se alejan notablemente de la costa al sur de los 12°S, y más al norte aumentan sus salinidades hasta los 7°S y se pegan a la costa a los 8°S (Salaverry), asociadas fundamentalmente con temperaturas de 18-20°C. Al norte de los 6°S, se hacen presente en forma apreciable las aguas ecuatoriales superficiales (AES), de baja salinidad, con salinidades hasta de 34.4°/00 frente a Cabo Blanco.

b)    Características de un período frío o de anti-El Niño. Las condiciones de un año frío se muestran en las Figs. 7b y 9b.

En el verano de 1967 (Fig. 7b) las aguas de baja salinidad de la región ecuatorial ocuparon toda la zona hasta 6°S v 86°W y se proyectaron en parte hasta los 7°S por el lado oeste de los 83°W. Las isohalinas de 32.7 a 34.8°/00 mostraron un gradiente intenso al norte de los 6°S, especialmente al este de los 83°W. Entre los 6-15°S, las isohalinas muestran un gradiente suave, especialmente dentro de las 100 millas. Al sur de los 15°S, el gradiente se vuelve apreciable dentro de las 120 millas, con las aguas de baja salinidad hasta de 34.6°/00 en el lado costero y las aguas de alta salinidad en el lado oceánico. Las aguas subtropicales superficiales se presentan con valores de 35.1-35.4°/00, generalmente más allá de las 100 millas de la costa y al sur de los 6°S, y sólo frente a Ilo se aproxima a 30 millas de la costa. Las salinidades bajas cerca de la costa frente a Huarmey y Atico podrían tener relación con la descarga de ríos de la temporada.

En el invierno de períodos fríos como 1967 y 1970 (Figs. 8, 9b), las aguas subtropicales superficiales (salinidades mayores de 35.1°/00) se extienden hacia el norte hasta cerca de los 4°S, pegándose a la costa frente a Talara y Huarmey, principalmente. Las aguas de baja salinidad de la región ecuatorial suelen presentarse por el lado costero al norte de Talara, en el caso de 1970 con valores de 33.3 a 34.8°/00. Las aguas costeras al sur de los 6°S muestran valores menores de 35.0°/00 entre Pimentel-Huarmey y entre SupeIlo, aunque en 1967 la isohalina de 35.0°/00 se proyecta muy lejos de la costa hasta por lo menos 20°S, frente a Chile; en tanto que en 1970 las ASS estuvieron mucho más pegadas a la costa desde los 9°S hacia el sur.

Tanto los períodos normales, fríos y cálidos presentan variaciones de una época a otra, y el área al sur de los 12°S suele presentar un aspecto diferente al área del lado norte, como en el invierno de 1968 (Cr. 6808 Unanue) que fue caliente en la parte norte y frío en la parte sur.

Fig. 10 (a)
Fig. 10 (b)
Fig. 11 (a)
Fig. 11 (b)
Fig. 12
Secció T(-----) y S (---) Pta.Falsa Cr.R/V Siedleckl Enero 1980. (Cr. 8001) Secció T(-----) y S (---) Pta.Falsa Cr.BIC SNP-1 Setiembre 1980. (Cr. 8008)

c)    Características de un período o de El Niño. La districbución de la salinidad en un verano e invierno calidos se da en las Figs. lla y llb.

En el verano de 1972, la costa peruana mostró un gran contraste. Al norte de los 10°S toda el área costera estaba cubierta con aguas de bajísima salinidad (32.8 a 34.8°/oo) procedentes de la región ecuatorial y se propagaba hacia el sur con el eje principal a 60-180 millas de la costa, a mayor distancia hacia el norte, y al parecer, parte de esta agua se proyectó hasta Pucusana dentro de las 20 millas de la costa (ver isohalina de 34.8°/oo). Al sur de los 10°S, las isohalinas de 35.1-35.4°/00 mostraron un acercamiento de las ASS a 40-60 millas de la costa entre Huarmey-Cerro Azul (10-13°S) y entre Pta. Doña María-Atico, y a 15 millas de la costa entre Mollendo-Ilo; es decir, que estas aguas estuvieron más pronunciadas al sur de los 15°S. Además, las isohalinas mostraron cierto paralelismo con la línea costera al sur de Huarmey (10°S). Entre los 9-10°S se situó parte de la frontera hídrica entre las aguas de la región subtropical y las de la región ecuatorial. Tanto al norte como al sur de los 10°S fueron apreciables las gradientes de salinidad; pero mucho más intensos en el lado norte, especialmente al norte de los 7°S.

En el invierno de 1976 las aguas con salinidades de 35.1 a 35.3°/00 cubrieron casi toda la costa en la parte observada entre los 5°30' - 18°30'S, especialmente en agosto, y sólo en septiembre la isohalina de 35.0°/00 se extendió en forma apreciable entre Pta. Doña María-Arica y dentro de las 30 millas de la costa. Se trata pues de un invierno con gran influencia de aguas subtropicales superficiales (ASS); las cuales tuvieron un mayor impacto en la costa frente a Chimbote, Cerro Azul y Mollendo.

Distribución Vertical de la Temperatura, Salinidad y Oxígeno

Las Figs. 12, 13, 14, 15 y 16 muestran las características generales de la distribución vertical de la temperatura (°C) y la salinidad (°/00) en verano e invierno en cuatro luqares de la costa, aproximadamente a los 6°S, 10°S, 15°S y 18°S; y la Fig. 17 muestra la distribución vertical del oxígeno disuelto en el verano e invierno frente a Chimbote (9°S), Callao (12°S), San Juan (15°S) e Ilo (17°S). Se trata de destacar la capa de mezcla o napa, la capa de transición, la capa subsuperficial y la capa de mínima de oxígeno.

a)    Estructura térmica. En el verano (Figs. 12a, 13a, 14a y 15a) la capa se presenta con 10 a 20 m de espesor y temperaturas mayores de 24°C. La termoclina se desarrolla por encima de los 60 y 100 m de profundidad, con 9 a 12 isotermas y se pega a la superficie cerca de la costa, dando lugar al gradiente intenso en la distribución horizontal a 0 m; además, en las secciones de San Juan y Pta. Coles, muestra dos gradientes, uno muy inteso en el lado superior y otro más moderado en el lado inferior; el primero producto del calentamiento estacional. La isoterma de 20°C se sitúa aproximadamente en el borde inferior del gradiente intenso o aproximadamente en el centro de la termoclina. La isoterma de 15°C se presenta en el borde inferior de la termoclina, tanto en Huarmey, San Juan y Pta. Coles; pero en Pta. Falsa se aparta de la termoclina, especialmente cerca de la costa y donde está presente la capa termostática asociada a la extensión sur de la Corriente Cromwell (Zuta y Guillén, 1970).

En la capa subsuperficial por debajo de la termoclina, se presentan las isotermas de 14-9°C entre los 100-500 m de profundidad, mostrando una tendencia a la estratificación, con un hundimiento hacia la costa dentro de los 100-300 m de profundidad (excepto frente a Pta. Coles) en asociación a flujos submarinos hacia el sur. El hundimiento de las isotermas de 10-13°C a 150 millas frente a Salaverry y a los 72°W frente a Pta. Coles, podría estar asociado a remolinos anticiclónicos que se desarrollan en la capa subsuperficial.

En el invierno (Figs. 12b, 13b y 16), el gradiente vertical se debilita notablemente por encima de los 100 m de profundidad, como consecuencia del enfriamiento estacional, quedando 3 a 5 isotermas (15-19, 14-16) como rezagos de la termoclina, en tanto que el espesor de la capa de mezcla aumenta notablemente hasta 50 y 125 m, asociada a la intensificación de los vientos invernales. Por debajo de los 100 m de profundidad los cambios son moderados, al parecer relacionados fundamentalmente con las variaciones en la intensidad de los flujos submarinos. La magnitud de los cambios es del orden de 1.0°C y no necesariamente de signo positivo (enfriamiento en el invierno).

Fig. 13

Fig. 13

La estructura térmica depende grandemente de los cambios estacionales y de las corrientes sujetas a variaciones de diferente orden. En la capa subsuperficial, la capa relativamente más homogénea señalada por las isotermas de 12-15°C está asociada a la presencia de la extensión sur de la Corriente Cromwell, la que da lugar al hundimiento de dichas isotermas cerca de la costa y es más intensa cuanto mayor sea la divergencia o separación entre las isotermas de 15 y 14°C.

b)    Estructura halina. Las Figs. 12a, 13a, 14b y 15b correspondientes al verano 1980, muestran una capa de transición apreciable (haloclina) por encima de los 40 y 80 m de profundidad, asociada a la termoclina, con valores de 35.1 a 35.4°/00 frente a Pta. Falsa y Huarmey, y valores de 35.0 a 35.5°/00 frente a Pta. Coles. En esteúltimo caso dentro de la termoclina veraniega. Frente a San Juan, la haloclina aparece más allá de las 150 millas de la costa, ya que la salinidad es más homogénea más cerca de la costa, al parecer como resultado del fortalecimiento del afloramiento. Por debajo de los 100 m de profundidad, las isohalinas de 34.7-35.0°/00 siguen en general la tendencia de las isotermas de 9-14°C, excepto frente a San Juan y Pta. Coles, donde al parecer la interacción entre las aguas procedentes del norte y del sur producen bolsones y fluctuaciones de las isohalinas. En la sección de Pta. Coles se aprecia claramente una capa de salinidad mínima con el eje aproximadamente en el borde inferior de la termoclina, con dos bolsones, uno costero y de salinidades más bajas, y otro lejos de la costa alrededor de los 73°W, que son indicaciones de la presencia del agua subantártica procedente de la costa chilena. Por debajo de la capa de mínima se presenta un máximo de salinidad entre los 80-200 m de profundidad y un gran bolsón de relativa alta salinidad cerca de los 72°W, asociadas con el agua ecuatorial subsuperficial que avanza hacia el sur. El bolsón salino parece que produce la separación de los dos bolsones de baja salinidad. Dependiendo de la época, cualquiera de estas dos aguas pueden aparecer en la superficie en el proceso de afloramiento.

La situación del invierno se muestra en las Figs. 12b y 13b, en las que ya no se presenta la haloclina y la columna de agua es de un gradiente débil en salinidad. Los cambios en la distribución vertical dependen de la presencia de las aguas subtropicales superficiales (ASS), de las aguas ecuatoriales superficiales (AES), de las aguas ecuatoriales subsuperficiales y de las aguas subantárticas (ASAA). Las AES afectan fundamentalmente la capa de 0-30 m de profundidad al norte de los 6°S, y las ASS pueden proyectarse hasta los 100-200 m de profundidad. La magnitud de los cambios puede ser hasta del orden de 0.3°/00 por encima de los 100 m de profundidad, y hasta del orden de 0.1°/00 en la capa subsuperficial descrita; es decir que los cambios son pequeños. La excepción es en la parte al norte de los 6°S donde la aparición de AES produce cambios usuales hasta de 0.6°/00 en la capa superficial.

c)    Distribución vertical del oxígeno. La Fig. 17 muestra, tanto en el verano como en el invierno, una pequeña capa superficial con los valores más altos de oxígeno disuelto, que está asociada a la capa de mezcla. Por debajo de la superficial relativamente homogénea, se presenta la capa de transición, en la que el oxígeno cae bruscamente hasta valores muy próximos a cero. La capa de mínima de oxígeno, con valores menores de 0.5 m1/L se presenta mayormente entre los 100-500 m de profundidad, especialmente en el invierno. En el verano parece profundizarse el tope superior, y esto es particularmente cierto al norte de los 9°S, por efecto del agua que arrastra la extensión sur de la Corriente Cromwell con un relativo alto contenido de oxígeno (Zuta y Guillén, 1970). Por otro lado, la capa de mínima se aproxima más a la superficie cerca de la costa, en algunos casos hasta 25 m de superficie (ver Callao o San Juan). Es importanto observer que la capa de 200-500 m frente a Chimbote, de 150-400 m frente a Callao, de 50-400 m frente a San Juan, presenta valores muy cercanos a cero, especialmente en el verano. En el trabajo de Zuta y Guillén (1970) se puede ver, además, que la capa de mínima afecta notablemente la parte costera entre los 12-18°S.

Aunque en este trabajo no se presentan datos de nutrientes, conviene mencionar que hay una relación entre la distribución de los nutrientes y la estructura térmica. Por ejemplo, los fosfatos, silicatos y nitratos presentan sus valores más bajos en la capa de mezcla o napa; aumenta rápidamente con la profundidad en la capa de la termoclina y lentamente en la capa subsuperficial (Zuta y Guillén, 1970).

Fig. 14

Fig. 14

Fig. 15

Fig. 15

Fig. 16

Fig. 16 : Secciones T (e)

El Afloramiento y su Relación con las Corrientes y las Masas de Agua

Uno de los efectos más conocidos del afloramiento es la presencia en superficie de aguas con temperaturas relativamente bajas conformando lenguas frías que se proyectan lejos de la costa, asociadas a un alto contenido de nutrientes (Fig. 18). En las Figs. 5b, 6b, 8b y 9b se destacan las áreas de afloramiento frente a Paita (5°S) y San Juan (15°S), esta última de mayor permanencia aún en períodos de El Niño (Fig. 10a). El afloramiento se produce por encima de los 100 m de profundidad (Figs. 12, 13, 14, 15) y es alimentado principalmente por las aguas ecuatoriales subsuperficiales (AESS) que son arrastradas por la corriente submarina procedente de la zona ecuatorial; pero al sur de los 12°S y espcialmente al sur de los 14°S también es alimentado por las aguas subantárticas procedentes de la costa chilena. Hay pues dos fuentes principales que alimentan el afloramiento costero.

Las Figs. 19 (a, b, c) muestran unos diagramas compuestos de las cuatro estaciones del año para las áreas de Cabo Blanco (4°S), Callao (12°S) y San Juan (15°S). Frente a Cabo Blanco, la dispersión de los puntos ocurre por encima de los 14°C en el verano y la primavera, y por encima de los 16°C en otoño e invierno; a menores temperaturas, las curvas mantienen las mismas características: Presentan una porción aproximadamente recta hasta los 6°C, y luego una curvatura con el incremento de salinidad. La porción recta con temperaturas de 6 a 16 (14)°C y salinidades de 34.58 a 35.20°/00, constituye la masa de agua denominada por Wyrtki (1963) agua ecuatorial subsuperficial (AESS), resultante de la mezcla del agua subtropical superficial (ASS) y el agua antártica intermedia (AAI). Esta masa de agua está presente a lo largo de toda la costa peruana y es la principal fuente del afloramiento costero. Desde luego que en su desplazamiento hacia el sur sufre ciertos cambios, como por ejemplo, frente a San Juan el AESS está pura entre 6-11°C, pero entre los 11-16°C entra en interacción con el agua subantártica de baja salinidad y también recibe más influencia del AAI, por lo que sus rangos de temperatura y salinidad varían (6-14°C y 34.5-35.0°/00).

El agua subantártica (ASAA) ingresa a la costa peruana entre 100-150 m de profundidad con salinidades de 34.6-34.8°/00, constituyendo un mínimo entre las ASS y las AESS, y suele aflorar al sur de los 14°S, particularmente en el invierno.

El sistema de corrientes frente al Perú está constituido por corrientes superficiales y submarinas, sobre las cuales se tiene un conocimiento muy general y se conoce poco de su variabilidad; pero se trata evidentemente de corrientes débiles con velocidades generalmente menores de 25 cm/seg. Hoy en día se está revisando la denominación de corrientes (Tomczak, 1981); pero para nuestro propósito usaremos la terminología de Wyrtki (1963): Corriente Costera Peruana (CCP), Corriente Oceánica Peruana (COP), Corriente Submarina (CSM), Contracorriente Peruana (CCCP) y Contracorriente Surecuatorial (CCSE), que le dan un panorama complejo al sistema (Fig. 20), y la complejidad parece surgir al este de los 90°W, donde se producen deflecciones de la corriente peruana y formación de remolinos, según podemos ver en la Fig. 21 de Paul et al. (en prensa). Mediciones directas hechas en la Operación ESACAN y JOINT-II (Brockmann et al., 1980) muestran que la CSM es un fenómeno prominente del margen continental a lo largo de toda la costa peruana y de gran importancia para el afloramiento costero por tener su flujo principal encima de los 100 m de profundidad, mayormente entre los 40-80 m de profundidad, y por tener su origen al parecer en la propagación de la Corriente Cromwell rica en contenido de oxígeno (Cochrane y Zuta, 1968).

La corriente costera peruana (CCP) y la corriente oceánica peruana (COP) están sujetas al régimen de los alisios del sureste (ASE) y consecuentemente se debilitan en el verano y se intensifican en el invierno, alcanzando velocidades del orden de los 30 cm/seg (15 mn/día) en los meses de agosto-septiembre (ver cartas de Wyrtki, 1965) y es en estos meses que las dos corrientes se constituyen en un sólo flujo, hacia el noroeste.

Pero trabajando en una escala regional se puede apreciar mejor los remolinos y los meandros a lo largo de la costa, como se puede ver en la topografía de 15°C que da una idea del flujo superficial predominante (Figs. 22a, b, c) y aún en la topografía de la capa de mezcla (Fig. 23a, b).

Fig. 17

Fig. Distribución vertlcal del OXIGENO(ml/L) en Verano (2,3) e invlerno (7,8,9) frente a Chimbote(9°S), Callao (12°S), San Juan (15°S) ello (18S.) LEYENDA: Costero(----), Proximo (------), Lejano (), Distants ().

Fig. 17

Fig. 18

Fig. 18

Fig. 19

Fig. 19. Diagramas T-S en áreas seleccionadas de la costa peruana.

Fig. 20

Fig. 21

Fig. Trayectoria ae boyas oceanográtics lanzacas en Junio de 1979 durante et Cr. 7905 del BIC SNP-1.

Fig. 21

Fig. 22 (a)

Fig. 22 (b)

Fig. 22 (c)

Fig. 23 (a)

Fig. 23 (b)

Fig. 24

Fig. Varlaciones estacionales de TSM a lo largo de la Costa Peruana, en el periodo 1970-1981. S-Verno (Summer) y W=Invierno (Winter).

Fig. 24

Variaciones Interanuales

La costa peruana está grandemente influenciada por fenómenos de macroescala, los cuales introducen cambios en períodos irregulares de tiempo. Las Figs. 24 y 25 muestran una secuencia de años fríos, calientes y moderados a lo largo de toda la costa, destacándose los períodos fríos de 1970-71, 1973-75 y los años calientes de 1972 y 1976. En esta secuencia, la primavera (oct-dic) de 1975 y el verano de 1976 presentan salinidad baja en la franja costera, particularmente de los 10°S hacia el norte, asociada en este último caso con la propagación hacia el sur de AES. En cambio, el otoño de 1977 (post-Niño) y la primavera de 1981 (pre-Niño) presentan salinidades altas en gran parte de la costa peruana. Se nota un predominio de las salinidades altas al norte de los 11°30'S, un predominio de las salinidades bajas al norte de los 5°30'S y un predominio de salinidades medias (alrededor de 35.0°/00) a los 15°30'S. Las grandes variaciones ocurren a los 4°30'S; pero también hay variaciones interanuales importantes a los 18°30'S. La parte entre los 6-14°S es dominada por ASS, con excepción de los veranos de 1976, 1979 y 1982 de bajas salinidades al norte de los 10°30'S.

De las variaciones interanuales, lo más trascendente y hasta espectacular es la ocurrencia del Fenómeno El Niño, el cual se manifiesta en el mar con grandes calentamientos que duran de 10 a 14 meses, cambios temporales en la circulación superficial y subsuperficial, etc. La serie de tiempo de la Fig. 4 muestra los períodos de El Niño de 1925, 1941, 1957, 1965, 1972, y 1976; y las Figs. 3, 26 y 27 muestran aspectos importantes del evento El Niño 1982-83 que se presentó con características muy especiales, entre los que mencionaremos lo siguiente: inicio del calentamiento en el invierno, anomalías térmicas positivas predominantes de 3 a 7°C, temperaturas superficiales hasta de 31°C muy cerca de la costa y propagación de AES hasta cerca de los 14°S. En la atmósfera las precipitaciones asociadas al evento han superado también a eventos anteriores, con deños materiales estimados hasta abril de 1983 en el orden de los 600 millones de dólares, más las pérdidas de vidas humanas a raíz de los huaycos, problemas de salud, de alimentación, de transporte y paralización de varias actividades. El evento en actual evolución ha desconcertado a la comunidad oceanográfica y meteorológica mundial y se tiene que revisar muchas de las teorías existentes (Wyrtki, 1981; Rasmusson y Carpenter, 1982; Enfield, 1980; Busalacchi, Jr., 1982; etc.) y hay la necesidad de coordinar las investigaciones y el monitoreo del océano y la atmósfera a nivel internacional, dentro de una gran comunidad de esfuerzo que permita lograr una previsión de los cambios y un mejor uso de los recursos.

Las características descritas en este capítulo sobre el ambiente, sirven de marco para interpretar la distribución y la fluctuación de los recursos pesqueros.

LOS RECURSOS PESQUEROS Y SUS VARIACIONES

Cambios en la Distribución de los Recursos Pelágicos

Tal como lo expresa Sharp (1981) quizás las mejores indicaciones del estado del recurso están dadas por el área de distribución (o volumen) y la abundancia o tamaño de las agregaciones dentro de este rango, recalcando la necesidad de emplear datos independientes de la pesquería puesto que la flota opera de preferencia sobre determinadas especies y en ciertas áreas, cuyas condiciones facilitan una alta vulnerabilidad a través de las agregaciones. En este sentido, a fin de mostrar las variaciones estacionales y anuales de los principales recursos pelágicos, se han analizado los datos de capturas registradas durante las prospecciones científicas de IMARPE. Todas las calas analizadas se han efectuado en la capa superficial (sobre 100 m de profundidad) y hasta una distancia máxima de 100 millas de la costa.

En las Figs. 28 (a, b) y 29 (a, b) se presenta la distribución de la anchoveta, sardina, jurel y caballa en series de tiempo estacional, a lo largo de la costa peruana, cubriendo el período de invierno 1972 a verano 1983 (este último sólo para el sur de los 12°S). Se han trazado isolíneas que indican el porcentaje en que cada especie estuvo representada en las capturas (en peso), en relación con las capturas de todas las especies, en el total de calas efectuadas por grado de latitud y estación. En consecuencia, este porcentaje que indica el grado de dominancia relativa de cada especie, en cierta medida puede tomarse como un índice de la agregación de cardúmenes. Como la sardina y anchoveta forman agregaciones más compactas que el jurel y la caballa, se han acentuado para dichas especies el sombreado de áreas con valores mayores del 50% de las capturas en peso, mientras que para el jurel y caballa se han acentuado el sombreado de áreas con más del 20%.

Fig. 25

Fig. Varlaclones de la SSM (%) a lo largo de la costa peruana durante el periodo 1975-1983. (La parte clara con valores moyores de 35% y el intervalo general de isohallnas es de 0.1%).

Fig. 25

Anchoveta. La Fig. 28 (a) muestra la distribución de anchoveta, donde se aprecia que entre el otono 1973 y primavera 1976, la distribución es comparativamente más amplia que durante los otros períodos, al mismo tiempo que exhibe mayores focos de agregación, destacándose en los 14°S un foco constituido por anchoveta sin mezcla con otras especies, durante el invierno-primavera de 1976.

Los focos de alta agregación están asociados con la preferencia de los cardúmenes por las aguas costeras en la zona de transición entre las aguas frías con las calientes subtropicales, con salinidades de 35.0-35.1°/00.

En contraste con esta situación, durante El Niño 1972-73, ésto es, en el invierno de 1972, la distribución de anchoveta abarca áreas más reducidas, donde la mayor agregación se localiza en los 10-11°S y en la siguiente estación de primavera 1973, se reduce aún más ubicándose en el extremo sur, lo cual corrobora el desplazamiento del stock hacia zonas más favorables observado también en la pesquería de dicho período. En El Niño de 1976-77 también se observa un hecho similar aunque en menor grado, cuando la anchoveta se distribuye al sur de los 14°S. En ambos casos se observó que esta migración hacia el sur estuvo asociada con la propagación de las aguas calientes que fue mucho más acentuada durante los dos picos del Niño 1972-73.

En 1978, la distribución se restituye a toda la costa, con agregaciones notorias localizadas en los 14-15°S en el otoño-invierno y en los 8-9°S en la primavera; esta última extendiéndose hasta el verano 1979, coincidente con la normalización de las condiciones ambientales en dicho período.

A partir de 1979, es evidente la disminución de las áreas de distribución, remarcándose aún más esta situación durante el actual Niño 1982-83, en que la presencia de esta especie es casi nula en la capa superficial muestreada, como producto de la profundización del reducido stock hacia capas más profundas, ante un ambiente extremadamente inapropiado en superficie.

Cabe mencionar que en los años 1979-81 los datos del ambiente no muestran anormalidades significativas, por lo que podemos inferir que la disminución de las áreas de distribución se debe a la acción de la pesquería y a las interacciones intra e interespecíficas.

Más adelante y mediante el empleo de datos acústicos, se cuantifica esta reducción del área y se muestran índices de concentración, relacionando la abundancia con las áreas de distribución.

Sardina. En cuanto a la sardina (Fig. 28b) el incremento en las áreas de distribución es particularmente notorio a partir de 1977 y más aún, desde 1980 en que las mayores agregaciones se localizan al norte de los 11°S, principalmente entre los 6-8°S. Dichas áreas de mayor agregación no son coincidentes con aquellas mostradas para la anchoveta; observamos más bien, un nivel de coincidencia entre la distribución más septentrional de estas agregaciones de sardina, con la extensión hacia el norte de las aguas subtropicales invernales, con salinidades de 35.1-35.2°/00.

Durante los Niños de 1972 y 1976, la distribución abarca mayor extensión que la observada para anchoveta, no mostrándose el desplazamiento hacia el sur descrito para la anchoveta; en cambio durante el actual Niño 1982-83 en que los calentamientos son más elevados, se puede apreciar que esta migración viene ocurriendo en la sardina. A este respecto cabe mencionar el reporte de marcas de sardina liberadas en el norte y centro de Perú, recuperadas en el litoral chileno en los meses de septiembre y diciembre de 1982 y febrero y marzo de 1983 (L. Gonzáles, comunicación personal). Asimismo, se han reportado altas capturas de sardina en el litoral norte de Chile, durante dicho período (ERFEN, 1983), lo que no es usual para la época.

A juzgar por la tendencia de las isolíneas podemos inferir que en cierta medida el desplazamiento de la sardina hacia el sur viene ocurriendo desde principios de 1982, coincidiendo con el calentamiento progresivo a partir del otoño 1982 (salinidades de 35.0- 35.2°/00), asociado con el Niño 1982-83 cuyo desarrollo desconcertó a la comunidad científica.

Fig. 26(a)(b), 27(a)(b)
Fig. 28

Fig. 28. Variaciones estacionales e interanuales en la distribución e "Indices de agregación" de ANCHOVETA (a) y SARDINA (b), frente a la costa peruana. Invierno 1972. Verano 1983. Seasonal and annual variations in the distribution and "Aggregation index" of ANCHOVETA (a) and SARDINA (b), along the Peruvian coast. Winter 1972-Summer 1983. x Sin datos. Without data. Mas de 20% de la captura en peso. More than 20% of the catch in weight. Entre 5-20% de la captura en peso. 5-20% of the catch in weight.

Fig. 29

Fig. 29. Variaciones estacionales e interanuales en la distribución e "Indices de agregación" de JUREL (a) y CABALLA (b), frente a la costa peruana. Invierno 1972. Verano 1983. Seasonal and annual variations in the distribution and "Aggregation index" of JUREL (a) and CABALLA (b), along the Peruvian coast. Winter 1972-Summer 1983. x Sin datos. Without data. Más de 20% de la captura en peso. More than 20% of the catch in weight. Entre 5-20% de la captura en peso. Between 5-20% of the catch in weight.

Jurel. El jurel (Fig. 29a), al igual que la sardina, ha expandido su área de distribucion con agregaciones apreciables a lo largo de la costa peruana, particularmente después del Niño 1976. Durante los Niños de 1972 y 1976, las áreas de distribución así como los focos de agregación de jurel fueron más amplios que los observados para sardina; durante El Niño 1982-83 la tendencia de las ilolíneas de alta agregación sugieren que en cierta medida aunque poco perceptible se está produciendo también desplazamientos hacia el sur de la costa peruana y norte de Chile.

La proyección hacia el sur de las áreas de alta agregación en todo el período presentado indican claramente que en el norte de Chile las agregaciones también son apreciables y que se reflejan en las altas capturas de esta especie por la pesquería del norte de Chile en los últimos años.

No obstante que el jurel muestra una amplia distribución a lo largo de toda la costa peruana, se aprecia una mayor permanencia de las grandes áreas de alta agregación, al sur de los 10°S. El cuadro presentado sugiere que esta especie tiene un mayor grado de adaptación a las variaciones del ambiente, como se discutirá posteriormente.

Caballa. En la caballa (Fig. 29b) también se aprecia una ampliación de las áreas de distribucion particularmente después del Niño 1976, localizándose las mayores agregaciones al norte de los 11°S, contrariamente a lo observado para el jurel. Entre los 14-15°S las agregaciones altas son poco perceptibles para incrementarse luego al sur de los 17°S así como para el jurel, aunque en menor extensión.

La creciente expansión de las áreas de distribución de jurel y caballa hasta muy cerca de la costa peruana, se ha visto reflejada en los aumentos de las capturas de la flota artesanal cuya actividad es continuada y donde el número de barcos no ha sufrido grandes incrementos como el de otras flotas; por lo tanto, el incremento de las capturas de estas especies por la flota artesanal indicaría también la expansión en la distribución de jurel y caballa en los últimos años.

Cambios en la extensión de las áreas y en el grado de concentración del stock de anchoveta. Los cambios en la extension de las areas de distribucion de anchoveta para el periodo 1966-1973 fueron presentados por IMARPE (1973) en base a datos acústicos, considerando las áreas con densidades relativas correspondientes a las categorías disperso, denso y muy denso (escalas 2, 3 y 4). En los análisis que se presentan en esta sección se incluye además la categoria muy disperso (escala 1). Se abarca el período 1966-79, lo cual ha permitido (empleando datos diferentes a los usados en la Fig. 28a), cuantificar la magnitud en la reducción de las áreas de distribución de anchoveta en este período.

El patrón típico de la distribución mar afuera de la anchoveta en la década de los años 60 se caracterizó por ser más amplia en el invierno hasta aproximadamente 100-120 millas al oeste, conformado mayormente por cardúmenes dispersos y muy dispersos; mientras que en el verano fue más costera distribuyéndose hasta aproximadamente 40-50 millas, con predominancia de agregaciones densas y muy densas. Este patrón estuvo condicionado por las características ambientales estacionales descritas en las secciones anteriores y el alto nivel poblacional que exhibió la población de esos años.

Sin embargo, la declinación del stock de anchoveta en los últimos años es de tal magnitud (Johannesson y Vílchez, 1981), que el patrón considerado como característico para el invierno y verano bajo situaciones "normales" se oscurece.

Este hecho se visualiza en las Figs. 30 (a, b) y 31 y Tabla 1, donde se muestra que a partir de 1972 la extensión de las áreas con anchoveta no exhibe las fluctuaciones para el invierno y verano que fue notorio en los años anteriores. También es evidente la disminución del área ocupada por la anchoveta en los años 1972-79 que, comparada con el período 1966-71, representa alrededor del 50%.

De otro lado, Johannesson y Vílchez (1980) muestran que se han producido violentas oscilaciones en la densidad promedio del stock de anchoveta en el período 1973-79 y que los incrementos en la densidad pueden coincidir ya sea con un incremento o con una disminución en la extensión del área.

Basados en este hecho, los incrementos en densidad asociados con la disminución del área indicarán el mayor grado de concentración en que se encuentra el stock.

Tabla 1 Cambios en la extensión de las áreas de distribución y concentración de enchoveta, 1966-79.
Changes in the extent of the anchoveta distribution area and concentration, during 1966-79.
PROSPECTIONFECHAESTACIONAREA CON AN- CHOVDTAGRADOS DE LATI- TUD CUBIERTASAREA/GRADO LAT.INDICE DE ABUNDANCIA ACESTICAAREA, CATEG. 2-4INDICE DE CONCENTRACION
SurveyDateSeasonArea with an- choveta (um2)Latitud degrees coverageArea/Lat.degreeAcoustic abundance indaxArea, categ. 2-4 (mn2)Concentration
index
Eureka IVAgosto 1966Invierno147706246272511080.6
Eureka VIIIAgosto 1967Invierno2151510215272411160.6
Eureka IXMarzo 1968Verano313609348460714640.4
Eureka XAgosto 1968Invierno273808342280621980.6
Cr. 6902-03Febrero 1969Verano86278.3101511926511.8
Eureka XIVSetiembre 1969Invierno3128010312858213620.4
Eureka XVMarzo 1970Verano127856.5196786810820.8
Eureka XVIIAgosto 1970Invierno149231014928495301.6
Eureka XVIIIFebrero 1971Verano3010010.5286771117350.4
Eureka XIXAgosto 1971Invierno442689491969822980.3
Eureka 7202Febrero 1972Verano110708133410423223.2
Eureka XXIVSetiembre 1972Invierno1652513.51224---
Eureka XXVI Enero 1973 Verano 14231 13.5 1054 917 373 2.5
Cr. 7302 Febrero 1973 Verano 5876 10 588 1350 382 2.5
Eureka XXVII Setiembre 1973 Invierno 28412 12.5 2273 430 217 2.0
Cateo 4 Febrero 1974 Verano 26869 12.5 2150 563 279 2.0
Eureka XXX Agosto 1974 Invierno 27325 12.5 2186 501 515 1.0
Eureka XXXI Setiembre 1974 Invierno 18510 12.5 1481 667 600 1.1
Eureka XXXII Febrero 1975 Verano 20316 12.5 1625 681 585 1.1
Eureka XXXIII Agosto 1975 Invierno 20165 13.5 1493 624 382 1.6
Eureka XXXV Enero 1976 Verano 23899 13.5 1770 833 643 1.3
Cr. 7603 Marzo 1976 Verano 19345 13.5 1433 1759 346 5.3
Eureka XXXVI Agosto 1976 Invierno 25216 13.5 1868 630 527 1.2
Cr. 7609 Setiembre 1976 Invierno 14320 12.5 1138 - - -
Cr. 7703 Marzo 1977 Verano 6690 12.5 535 1506 256 2.9
Cr. 7903 Marzo 1979 Verano 12640 12.5 1011 - - -

Previous Page Top of Page Next Page