A. Liste des engins décrits
B. Fiches descriptives et dessins des engins
1. Sennes de plage
2. Filets maillants encerclants
3. Sennes tournantes et coulissantes
4. Filets maillants dormants
5. Filets maillants dérivants
6. Filets filtrants a crevettes
7. Eperviers
8. Barrages
9. Lignes et hameçons
|
|
|
Fig. |
|
1. |
Sennes de plage |
|
|
1.1 |
Senne de plage (Guet N'Dar) |
3 |
|
1.2 |
Senne de plage (petite) (Hann) |
4 |
|
1.3 |
Senne de plage (grande) (Hann) |
5 |
|
1.4 |
Senne de plage (M'Bour-Joal) |
6 |
|
1.5 |
Senne de plage de fond (Ile de Djirnda) |
7 |
|
1.6 |
Senne de plage (Ile de Djirnda) |
8 |
|
1.7 |
Senne de plage (Oual Sande) |
9 |
|
1.8 |
Senne de plage (Goudomp) |
10 |
|
2. |
Filets maillants encerclants |
|
|
2.1 |
Filet maillant encerclant à sardinelles
(M'Bour-Joal) |
11 |
|
2.2 |
Filet maillant encerclant à cobos
(M'Bour-Joal) |
12 |
|
2.3 |
Filet maillant encerclant (Diamniadio) |
13 |
|
2.4 |
Filet maillant encerclant à gros cobos
(Niodior) |
14 |
|
3. |
Sennes tournantes et coulissantes |
|
|
3.1 |
Senne tournante et coulissante à sardinelles
(M'Bour-Joal) |
15 |
|
3.2 |
Senne tournante et coulissante à sardinelles
(Djifer) |
16 |
|
3.3 |
Senne tournante et coulissante à gros poissons
(M'Bour-Joal) |
17 |
|
4. |
Filets maillants dormants |
|
|
4.1 |
Filet maillant dormant à poissons (Ile de
Djirnda) |
18 |
|
4.2 |
Filet maillant dormant à Cybium
(Dionouar) |
19 |
|
4.3 |
Filet maillant dormant à Trachinotus (Adeane,
Goudomp) |
20 |
|
4.4 |
Filet maillant dormant à poissons (Guet
N'Dar) |
21 |
|
4.5 |
Filet maillant dormant à poissons (Fass Boye) |
22 |
|
4.6 |
Filet maillant dormant à requins (Palmarin) |
23 |
|
4.7 |
Filet maillant dormant à courbine (Joal) |
24 |
|
4.8 |
Filet maillant dormant à langoustes
(M'Bour-Joal) |
25 |
|
4.9 |
Filet maillant dormant à Pseudotolithus sp.
(M'Bour-Joal) |
26 |
|
4.10 |
Filet maillant dormant à cobos, chinchards, etc.
(M'Bour-Joal) |
27 |
|
4.11 |
Filet maillant dormant à sardinelles
(M'Bour-Joal) |
28 |
|
5. |
Filets maillants dérivants |
|
|
5.1 |
Filet maillant dérivant à ethmaloses (Guet
N'Dar) |
29 |
|
5.2 |
Filet maillant dérivant à cobos (Gouk) |
30 |
|
5.3 |
Filet maillant dérivant (Diamniadio) |
31 |
|
5.4 |
Filet maillant dérivant (Betenty) |
32 |
|
5.5 |
Filet maillant dérivant à ethmaloses
(Goudomp) |
33 |
|
6. |
Filets filtrants à crevettes |
|
|
6.1 |
Petit filet filtrant à crevettes (Saint
Louis) |
34 |
|
6.2 |
Filet filtrant à l'étalage à crevettes
(Casamance) |
35 |
|
7. |
Eperviers |
|
|
7.1 |
Epervier simple (Fayaco) |
36 |
|
7.2 |
Epervier à anneau (St. Louis) |
37 |
|
8. |
Barrages |
38 |
|
9. |
Lignes et hameçons |
39-48 |
Abréviations et symboles utilisés
|
PA |
Polyamide (nylon) |
|
PE |
Polyéthylène |
|
SIS |
Sisal |
|
Fe |
Fer |
|
Pb |
Plomb |
|
ST |
Acier |
|
Mono |
Monofilament (nylon) |
|
PL |
Plastique |
|
E |
Rapport d'armement |
|
Ø |
Diamètre |
|
L |
Longueur |
1.1 SENNE DE PLAGE (THIAKH)
Localité: Guet N'Dar (St. Louis)
Construction et montage (Fig. 3)
Longueur: 300 m (montée)
Description des différentes pièces: (alèzes nylon)
- Poche (téron)Montagefil: 890 m/kg- 1ère contre-poche (M'Bokhate)
longueur montée: 40 m
profondeur étirée: 12 m
maille étirée: 30 mmfil: 2 220 m/kg- 2ème contre - poche (M'Bokhate)
longueur montée: 30 m
profondeur étirée: 10 m
maille étirée: 36 mmfil: 2 220 m/kg- Ailes
longueur montée: 80 m
profondeur étirée: 9m
maille étirée: 36 mmlongueur montée: 80 m- Ralingues (supérieure et inférieure)
profondeur étirée: 4m
maille étirée: 46 mmen sisal 3 torons de 10 mm de diamètre- Flotteurs
longueur: 300 men bois de forme cylindrique d'une longueur de 400 mm sur 35 mm de diamètre,- Lests
espacés d'environ 1,80 m
nombre total: 125En pierre, d'un poids unitaire d'environ 400 à 500 g,
espacés d'environ 1,80 m
nombre total: 160
- Rapport d'armement (E)ailes: 0,75
contre-poches: 0,60
poche: 0,50
Fig. 3: Senne de plage (Guet N'Dar)

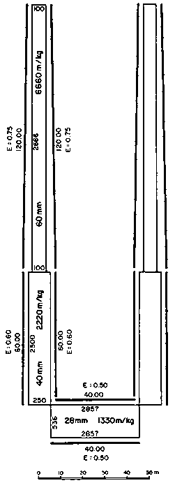
1.2 SENNE DE PLAGE (PETITE)
Localité: Hann
Construction et montage (Fig. 4)
Longueur: 400 m (montée)
Description des différentes pièces
- PocheEmbarcationfil: 1 330 m/kg- Contre-poche
longueur montée: 40 m
profondeur étirée: 15 m
maille étirée: 28 mmfil: 2 220 m/kg- Ailes
longueur montée: 60 m
profondeur étirée: 10 m
maille étirée: 40 mmfil: 6 660 m/kg- Flotteurs
longueur montée: 120 m
profondeur étirée: 6m
maille étirée: 60 mmespacés de 70 cm dans les ailes et rapprochés de 50 à 60 cm dans la poche, de forme cylindrique en liège, 100 mm de diamètre et 40 mm d'épaisseur- Lestsolives de plomb de 300 g, espacés uniformément de 1 m.- Ralingues (supérieure et inférieure)en sisal 3 torons de 10 mm de diamètre
longueur: 400 m
bâtons d'extrémité: 3 m de long et Ø 65 mm
pattes d'oies reliant les bâtons aux bras de halage: 3 m, Ø 14-18 mm, en sisal de 3 torons
Il n'y a pas de ralingues verticales aux extrémités des ailes, les mailles de bordure sont libres.
Textiles et grosseur (m/kg) des fils utilisés pour le montage sur la corde de liège et la corde de plomb:- fil nylon 840 m/kg (à la poche et aux deux contre-poches)
- fil nylon 2 220 m/kg (aux ailes)
La pirogue, assez grande (plus de 12 m), est propulsée à la pagaie par une double rangée d'hommes, soit 20 personnes sur l'embarcation et 10 autres restant sur la plage tiennent les bras de la senne de plage: c'est le début de la manoeuvre.
Quand le banc de poissons détecté à la vue est encerclé, la pirogue revient à la plage; c'est le commencement d'un travail pénible consistant à haler la senne vers la plage. La durée de cette opération peut varier de 1 à 5 ou 6 heures, selon l'éloignement de l'engin par rapport à la plage.
Fig. 4: Senne de plage (petite) (Hann)

Montage des alèzes sur lés ralingues
Pour les ailes ou les mailles sont grandes, on monte de la même manière que pour les filets encerclant maillants à sardinelles.
Pour la poche et les deux contre-poches ou les mailles sont plus petites, on prend 6 à 8 mailles par compas de 8 cm environ. Les noeuds utilisés pour la fixation des bords verticaux du filet aux bâtons d'extrémités sont les mêmes que ceux existant pour les filets encerclants maillants à sardinelles.
Remarque:
Il n'existe pas de poche vraie, celle-ci est seulement formée par un flou plus important a la partie centrale de la senne.
Rapport d'armement (E)
ailes: 0,75Conditions de la pêche
contre-poche: 0,60
poche: 0,50
Principales espèces capturées:
Sardinella eba et aurita1.3 SENNE DE PLAGE (GRANDE)
Brachydeuterus auritus
Pomadasys sp.
Sciaenidae
Cybium sp.
Sparidae
Euthynnus alletteratus
Carangidae
Hemiramphidae
Mugilidae
Engraulidae
etc.
Localité: Hann
Construction et montage (Fig. 5)
Longueur: 800 m (montée)
Description des différentes pièces
- PocheEmbarcationfil: 1 110 m/kg- Contre-poche (2)
longueur montée: 60 m
profondeur étirée: 20 m
maille étirée: 60 mmfil: 1 110 m/kg- Contre-poche (2)
longueur montée: 40 m
profondeur étirée: 20 m
maille étirée: 40 mmfil: 2 220 m/kg- Ailes (x 2)
longueur montée: 30 m
profondeur étirée: 20 m
maille étirée: 40 mmfil: 4 440 m/kg- Ralingues de flotteurs et de plomb
longueur montée: 300 m
profondeur étirée: 15 m
maille étirée: 60 mm800 m PA Ø 12 mm- Nombre de flotteurs120 flotteurs PL Ø 115 mm L 85 mm à la poche- Lests
280 flotteurs PL Ø 115 mm L 85 mm aux 4 contre-poches
1 200 flotteurs PL Ø 85 mm L 70 mm
Total: 1 600 flotteurs400 g de plomb/m soit 320 kg en tout- Bras de halage1 000 m en PP Ø 18 mm, un bras de chaque côté- Sens du filetperpendiculaire à la direction des ralingues
- Pirogue de 20 m de long, propulsée à la pagaie par 30 personnes environ.
Fig. 5: Senne de plage (grande) (Hann)

1.4 SENNE DE PLAGE (OUOLOF: M'BALAO)
Localités: M'Bour - Joal (Petite Cote)
Construction et montage (Fig. 6)
Longueur: 200 m (montée)
Description des différentes pièces (alèze nylon)
- PocheLes deux bâtons d'extrémité situés aux bouts des ailes sont longs de 2,50 m sur 50 mm d'épaisseur.fil: 890 m/kg- Contre-poche
longueur montée: 20 m
profondeur étirée: 10 m
maille étirée: 28 mmfil: 2 220 m/kg- Ailes
longueur montée: 30 m
profondeur étirée: 7 m
maille étirée: 40 mmfil: 4 440 m/kg- Ralingues
longueur montée: 60 m
profondeur étirée: 5m
maille étirée: 60 mmlongueur: 200 m en sisal de 10 mm de diamètre,- Flotteurs
3 torons, pas de ralingues aux extrémités des ailesen liège de forme cylindrique de 100 mm de diamètre sur 40 mm d'épaisseur; espacés uniformément de 60 cm- Lestsen olives de plomb d'un poids unitaire de 200 g espacés de 1 m sur les ralingues
Longueur, matériau et diamètre des pattes d'oies reliant les bâtons aux bras de halage: 2,50 m Ø 14 mm en sisal 3 torons.
Bras de halage: longueur 600 m sisal Ø 14 mm.
Fils utilisés pour le montage sur les ralingues:
- nylon 2 220 m/kg pour les ailesEmbarcation: Pirogue de 14 m avec éperons; propulsion à la pagaie
- nylon 890 m/kg pour les contre-poches
Conditions dé là pêche
Espèces capturées: sardinelles, carangidés
Profondeurs variables: 4 à 10 m
Nature du fond: sable
Fig. 6: Senne de plage (M'Bour-Joal)

1.5 SENNE DE PLAGE DE FOND (OUOLOF: DIGAL)
Localité: Ile de Djirnda (Foundiougne)
Construction et montage (Fig. 7)
Longueur: 200 m (montée)Embarcation: pirogue, longueur (hors tout): 10 à 12 m
Profondeur: 140 mailles
Nombre de mailles en largeur: 6 000
Maille étirée: 60 mm
Fil employé: 3 330 m/kg
Nappe en nylon de fabrication industrielle
Sens du filet perpendiculaire à la longueur du filet
Ralingues (supérieure et inférieure) en sisal de 8 mm de diamètre 4 torons
Montage: l'alèze est enfilée dans les ralingues ou elle est fixée à intervalles réguliers de 1 m.
Flotteurs: en bois léger de 400 mm de long sur 35 à 40 mm de diamètre. Nombre: 250
Lests: en plomb d'un poids unitaire de 150 g. Nombre: 235
Conditions de la pêche
Espèces capturées: otolithes, capitainesFig. 7: Senne de plage de fond (Ile de Djirnda)
Lieux de pêche: bras de mer du Sine Saloum et Sangomar
Nature du fond: sable vaseux
Equipage: 6 à 10 personnes
1.6 SENNE DE PLAGE (OUOLOF: M'BALAO)
Localité: Ile de Djirnda (Foundiougne)
Construction et montage (Fig. 8)
Longueur: 293 m (montée)Conditions de la pêcheProfondeur: 6,33 m (étirée)
Nombre de mailles en longueur: 11 250
Nombre de mailles en largeur: 133
Maille étirée: 48 mm
Fil employé: nylon câblé 6 660 m/kg
Ralingues
longueur: 295Montage de l'alèze sur les ralingues:
sisal 3 torons, diamètre 10 mm293 Rapport d'armementFlotteurs: en bois de forme cylindrique, 300 mm de long et 30 mm d'épaisseurLests: 225 en olives de plomb de 200 g
Embarcation: pirogue, longueur variable 12 à 15 m
Puissance du moteur: sans moteur, propulsion à la pagaie
Equipage: 8 personnes
Espèces capturées: ethmaloses, mulets, carpesFig. 8: Senne de plage (Ile de Djirnda)
Profondeur moyenne des fonds: 6-7 m
Mature du fond: sable vaseux
1.7 SENNE DE PLAGE (OUOLOF: M'BALAO; BAMBARA: DIO)
Localité: Oual Sande (Secteur de Fatick)
Construction et montage (Fig. 9)
Longueur: 280 m (montée), 660 m (étirée)EmbarcationProfondeur étirée: 7,44 m
Nombre de mailles en longueur: 11785
Nombre de mailles en profondeur: 133
Maille étirée: 56 mm
Fil employé: nylon câble 6 660 m/kg
Noeud d'écoute double
Alèzes nylon de fabrication industrielle
Sens du filet perpendiculaire à la longueur de l'engin
Ralingues: longueur 282 m (280 m + 2 m pour les extrémités) en sisal d'un diamètre de 10 mm 4 torons
Montage: Il n'y a pas de ralingues latérales, ni d'ailes, ni de poche, le filet est constitué de 11 nappes assemblées de mêmes caractéristiques. Les mailles de bordure sont enfilées dans les ralingues ou la nappe est fixée par intervalles de 1 m.
Flotteurs: en bois léger de forme cylindrique de 320 mm de long sur 40 mm de diamètre; la distance entre deux flotteurs est de 1,10 m.
Lests: en olives de plomb d'un poids unitaire d'environ 110 g espacés de 1,50 m.
Rapport d'armement
Pirogue de mer avec éperonsFig. 9: Senne de plage (Oual Sande)
Longueur (hors tout): 13 m
Equipage variable: 10 à 20 personnes
1.8 SENNE De PLAGE (OUOLOF: M'BALAO)
Localité: Goudomp (Casamance)
Construction et montage (Fig. 10)
Longueur: 950 m (montée)Fig. 10: Senne de plage (Goudomp)Poche
longueur 50 m (montée) en fil 890 m/kgContre-poche
maille (étirée) 50 mm
profondeur étirée: 20 mlongueur 50 m en fil nylon 1 110 m/kg, maille étirée 50 mmAiles
profondeur étirée: 12 mlongueur 400 m en fil de 2 220 m/kgRalingues (supérieure et inférieure)
maille étirée: 60 mm
profondeur étirée: 10 men sisal 3 torons, diamètre 14 mmFlotteurs
longueur: 950 m
Les bras de halage sont constitués par rouleaux de 100 m en corde de sisal de 14 mm de diamètre en 3 torons.Espaces de 1,5 m, sont en bois de forme cylindrique de 400 mm de long en moyenne sur 35 à 40 mm de diamètre. Nombre total: 633LestsEn pierres, espacés de 1,5 m et d'un poids unitaire de 250 a 300 g. Nombre: 633Rapport d'armement Eailes: 0,60
contre-poche: 0,50
poche: 0,50
2.1 FILET MAILLANT ENCERCLANT A SARDINELLES (SERERE: SAIMA)
Localité: M'Bour - Joal (Région de Thiès)
Construction et montage (Fig. 11)
Longueur: 280 m (montée)EmbarcationProfondeur: 12 m (étirée)
Nombre de mailles en longueur: 6 666
Nombre de mailles en profondeur: 200
Dimension de la maille étirée: 60 mm
Fil employé: nylon câble 6 660 m/kg
Sens du filet perpendiculaire à la longueur de l'engin; noeud d'écoute double
La nappe est composée de 20 pièces de 200 mailles de profondeur, assemblées l'une à l'autre par transfilage avec couture à intervalles de 4 à 5 mailles.
Ralingues: Il n'existe pas de ralingues latérales; les cordes de flotteurs et de plombs sont en sisal d'un diamètre de 8 mm environ (3 torons) ou en textile synthétique câblé par les pêcheurs et d'un diamètre approximatif de 6 mm en 2 torons. Dix nappes de 20 m de largeur sur 400 mailles de profondeur sont nécessaires pour la construction du filet.
Longueur des ralingues: 280 m
280 Rapport d'armement
Pour la fixation des bords verticaux du filet aux bâtons d'extrémités, on procède d'abord à deux entailles dans lesquelles viennent se loger trois demi-clefs faites sur les deux brins de la patte d'oie.
Les filins de manoeuvre sont en sisal de 14 mm de diamètre et de 15 m de long (coté avant ou de bouée) et 100 m (coté arrière).
Pirogue de 12 m (hors tout) avec moteur hors-bord 18 à 20 ch.Conditions de la pêche
Espèces recherchées: sardinelles (Sardinella eba et S. aurita)Fig. 11: Filet maillant encerclant à sardinelles (M'Bour-Joal)
Nature du fond: sable
Profondeur: 15 m
Equipage: 6 à 8 personnes, s'adonnant essentiellement au démaillage des sardinelles
2.2 FILET MAILLANT ENCERCLANT A COBOS (ETHMALOSA FIMBRIATA)
Localité: M'Bour - Joal
Construction et montage (Fig. 12)
Longueur: 450 m (montée), 729 m (étirée)EmbarcationProfondeur: 10,64 Maille étirée: 80 mm
Nombre de mailles en longueur: 9 000, en profondeur: 133
Fil employé: 6 660 m/kg en nylon
Nappe lacée mécaniquement avec des noeuds d'écoute doubles, sens du filet perpendiculaire à la longueur de l'engin.
Ralingues (supérieure et inférieure)
En nylon 2 torons, câblés localement, d'un diamètre de 6 mm et de 450 m de longueurFlotteursEn liège de forme cylindrique d'un diamètre de 100 mm sur 40 mm d'épaisseur.LestsEn olives de plomb d'un poids unitaire de 200 g.Rapport d'armement![]()
Le montage dé la nappe sur les ralingues s'effectue avec du fil nylon 2 220 m/kg.
Pirogue de 12 à 15 m avec éperons; moteurs hors-bord de 20 à 25 ch.Conditions de la pêche
Espèces recherchées: cobos, en merFig. 12: Filet maillant encerclant à cobos (M'Bour-Joal)
Profondeur: 15 m
Nature du fond: sable
Equipage: 7 a 8 personnes
2.3 FILET MAILLANT ENCERCLANT A COBOS - EN LAGUNE (SERERE: SAIMA)
Localité: Diamniadio (Foundiougne)
Construction et montage (Fig. 13)
Longueur: 66 m (montée), 157 m (étirée)Embarcation: pirogue de 8-12 m de longueur
Profondeur: 7,12 m (nappe étirée)
Maille étirée: 72 mm
Nombre de mailles en longueur: 2180
Nombre de mailles en profondeur: 99
Fil employé: 6 660 m/kg en nylon
Ralingues: longueur 68 m en sisal torons, diamètre 7 mm
Flotteurs: 110 de forme cylindrique de diamètre 100 mm et d'épaisseur 40 mm, en liège
Lests: 38, poids unitaire 75 g environ, en plomb
Rapport d'armement E: 0,42
Moteur hors-bord de 6 chConditions de la pêche
Equipage: 2 à 3 personnes
Espèces capturées: cobosFig. 13: Filet maillant encerclant (Diamniadio)
Nature du fond: sable vaseux
Profondeur: variable, en lagune
2.4 FILET MAILLANT ENCERCLANT A GROS COBOS (SERERE: SAIMA)
Localité: Niodior
Construction et montage (Fig. 14)
Longueur: 320 m (montée)Embarcation: pirogue de 12 m de longueurProfondeur: 10 m (étirée)
Maille étirée: 100 mm
Nombre de mailles en longueur: 6 400
Nombre de mailles en profondeur: 100
Fil employé: 6 660 m/kg en nylon
Sens du filet parallèle à la profondeur; nappe lacée mécaniquement avec des noeuds d'écoute doubles.
Ralingues (supérieure et inférieure): longueur 320 m en nylon de 8 mm de diamètre câblé en deux torons par les artisans
Flotteurs: en liège d'un diamètre de 100 mm sur 80 cm d'épaisseur, espacés de 80 cm, soit un nombre total de 400 flotteurs
Lests: espacés de 50 cm, en olives de plomb d'un poids unitaire de 200 g
Rapport d'armement
Moteur hors-bord de 6 ch.Conditions de la pêche
Espèces recherchées: grosses ethmaloses (Ethmalosa fimbriata.)Fig. 14: Filet maillant encerclant à gros cobos (Niodior)
3.1 SENNE TOURNANTE ET COULISSANTE A SARDINELLES (OUOLOF: M'VAL TOURNE - YABOYE)
Localité: M'Bour-Joal
Construction et montage (Fig. 15)
Longueur totale: 200 m (montée)EmbarcationAlèzes en nylon
Poche (A)
longueur 1 430 maillesSous-poche (B)
profondeur 800 mailles
maillage de 28 mm (étiré) en fil 2 660 m/kglongueur 1 430 maillesCorps (C)
profondeur 600 mailles
maillage de 28 mm (étiré) en fil 4 440 m/kglongueur 6 430 maillesRenforts (D)
profondeur 1 400 mailles
maillage de 28 mm (étiré) en fil 4 440 m/kglongueur 220 m (étirée)Ralingue supérieure: longueur 200 m en nylon de 8 mm de diamètre
profondeur 400 mailles
maillage 60 mm en fil 2 220 m/kgRapport d'armement E: 0,91
Ralingue inférieure: longueur 210 m en nylon de 8 mm de diamètre
Rapport d'armement E: 0,95
Coulisse: longueur 250 m en nylon de 14 mm de diamètre
Anneaux: 20 en fer rond de 10 mm d'épaisseur sur 10 cm de diamètre
Pattes d'anneaux: longueur 1 m environ en nylon 8 mm de diamètre
Flotteurs: en matière plastique comprimée de 70 mm de diamètre sur 40 mm d'épaisseur
Lests: 100 kg en olives de plomb
Montage: 4 mailles et 1 flotteur tous les compas de 9 à 10 cm
pirogue de 14-16 m de longueurFig. 15: Senne tournante et coulissante à sardinelles (M'Bour-Joal)
moteur hors-bord de 25 ch
équipage: 8 personnes
Conditions de pêche
Principales espèces capturées:
- Sardinelles3.2 SENNE TOURNANTE ET COULISSANTE A SARDINELLES
- Ethmaloses
- Sompats
- Carangidés) de taille moyenne
- Saka ) de taille moyenne
- Safar ) de taille moyenne
- Cybium
- Arius sp. (Kong)
Localité: Djifer
Construction et montage (Fig. 16)
Longueur: 270 m (montée)EmbarcationProfondeur: 42 à 48 m (étirée) soit 1 400 à 1 600 mailles
Poche: 45 m de longueur (montée) et 800 mailles de profondeur
Dimension de la maille étirée:
30 mm (poche et corps)Fils nylon en alèzes nouées ou sans noeuds
60 mm (ailes)- poche: 2 660 à 1 550 m/kgFil de montage: nylon 840 m/kg
- corps du filet: 4 440 à 2 660 m/kgselon les conditions d'approvisionnement et l'importance de la pirogue.
- ailes: 2 660 m/kg
Ralingues: nylon de 8 mm de diamètre
Rapport d'armement E: 0,90 (ralingues de flotteurs et de plombs)
Flotteurs: en plastique de 70 mm de diamètre et 40 mm d'épaisseur (nombre total: 2 000)
Lests: en olives de plomb de 200 g (poids total: 100 kg)
Pattes d'anneaux: 1 m en nylon de 8 mm
Anneaux: en fer rond de 10 mm d'épaisseur et 140 mm de diamètre (nombre: 18 à 20)
Coulisse: 300 m de longueur en nylon de 14 mm de diamètre
pirogues de 14 à 20 m de longueur hors toutFig. 16: Senne tournante et coulissante à sardinelles (Djifer)
moteur hors-bord de 25 ch.
3.3 SENNE TOURNANTE ET COULISSANTE A GROS POISSONS (OUOLOF: M'VAL TOURNE - DJEUNE-BOUMAC)
Localité: M'bour-Joal
Construction et montage (Fig. 17)
Longueur: 270 m (montée)Embarcation:Poche (pièce A) longueur: 60 m (étirée)
Profondeur: 250 mailles de 80 mm (étirée)
Dessous de poche (pièce B) longueur 60 m (étirée)
Profondeur: 250 mailles de 80 mm (étirée)
Corps du filet (pièce C): longueur 237 m (étirée)
Profondeur: 500 mailles de 80 mm (étirée)
Nombre de mailles
pièce A: 750 mailles x 250 maillesRalingues (haut et bas)
pièce B: 750 mailles x 250 mailles
pièce C: 2 962 mailles x 500 maillespièce A: 55 mLongueur totale: 270 m
pièce C: 215 mRapport d'armement E: (poche)
(corps du filet)
Coulisse: en nylon de 350 m de longueur et 14 mm de diamètre
Anneaux: en fer rond de 10 mm d'épaisseur et 100 mm de diamètre
Pattes d'anneaux: longueur 1 m environ en nylon de 8 mm de diamètre
Ailes: Les ailes (avant et arrière) sont identiques; la maille est de 120 mm (étirée) pour une profondeur de 333 mailles, avec une ralingue de 5 m en nylon de 8 mm de diamètre.
Flotteurs: En matière plastique expansée de 70 mm de diamètre sur 40 mm d'épaisseur.
Montage sur la ralingue: 1 maille et 1 flotteur par compas de 70 mm
Lests: en olives de plomb (300 g au mètre)
pirogue de 14 à 16 m Moteur hors-bord, puissance 25 chConditions de pêche
Espèces capturées: Carangidés de grande taille, etc. (Sakar, Safar, Beur)Lieu de pêche: Sangomar
Fig. 17: Senne tournante et coulissante à gros poissons (M'Bour-Joal)
4.1 FILET MAILLANT DORMANT A POISSONS (OUOLOF: M'BAL-SER)
Localité: Ile de Djirnda (Foundiougne)
Construction et montage (Fig. 18)
Longueur: 60 m (montée)Embarcation: pirogue, 9 à 10 m de longueur hors toutProfondeur: 4,20 m (étirée)
Nombre de mailles en longueur: 900
Nombre de mailles en profondeur: 35
Dimension d'une maille étirée: 120 mm
Fil employé: 1 615 m/kg ou 2 220 m/kg en nylon
Nappe lacée à la main avec des noeuds d'écoute doubles
Sens du filet parallèle à la longueur de l'engin
Ralingues (supérieure et inférieure) en sisal d'un diamètre d'environ 6 mm, en 3 torons
Longueur: 62 m y compris les deux bouts d'extrémités de 1 m chacun
Flotteurs: en liège de diamètre 100 mm et d'épaisseur 40 mm (nombre: 51)
Distance entre deux flotteurs: 1,20 m
Distance entre deux plombs: 2 m (nombre: 31)
Poids approximatif d'une olive de plomb: 200 à 300 g
Montage de l'alèze sur les ralingues: on enfile la nappe dans les ralingues, ou elle est fixée, de place en place
Rapport d'armement
Conditions de la pêche
espèces recherchées: brochets, capitaines, otolithes , etc.Fig. 18: Filet maillant dormant a poissons (Ile de Djirnda)
lieux de pêche: bras de mer du Sine Saloum
nature du fond: sable vaseux
courants de marée
équipage: 1 à 2 personnes
4.2 FILET MAILLANT DORMANT A CYMBIUM (OUOLOF: M'VAL-SEROU YET)
Localité: Dionouar (Foundiougne)
Construction et montage (Fig. 19)
Longueur: 18 m (montée)EmbarcationProfondeur: 1,20 m (étirée)
Nombre de mailles en longueur: 108
Nombre de mailles en profondeur: 5,5
Dimension de la maille étirée: 240 mm
Fil employé: tresse nylon 400 m/kg
Ralingues (des lièges et des plombs) en nylon 2 torons de confection locale, de 6 mm de diamètre environ
Longueur 19 m avec les deux bouts
Flotteurs: en liège espacés de 1,60 m (nombre: 12)
Lests: en plomb par olive de 70 g environ espacés de 0,50 m (nombre: 37)
Le montage de l'alèze sur les ralingues est typique pour la ralingue supérieure dans laquelle on enfile les mailles; pour la ralingue inférieure chaque maille est fixée à la ralingue de plomb par l'intermédiaire d'un fit d'armement par compas réguliers d'environ 150 à 160 mm.
pirogue-type avec éperonConditions de la pêche
longueur hors tout: 8 m
espèces recherchées: gros coquillages du genre CybiumFig. 19: Filet maillant dormant à Cybium (Dionouar)
lieux de pêche: Sangomar, Joal
fond: sable vaseux
4.3 FILET MAILLANT DORMANT A TRACHINOTUS
Localité: Adeane, Goudomp (Casamance)
Construction et montage (Fig. 20)
Longueur: 50 m (montée)EmbarcationProfondeur: 3,36 (étirée)
Nombre de mailles en longueur: 700
Nombre de mailles en profondeur: 24
Dimension de la maille étirée: 140 mm
Fil employé: nylon 4 440 ou 6 660 m/kg
Ralingues (supérieure et inférieure) en nylon de diamètre 3 mm, en 3 torons
longueur: 52 mFlotteurs: en liège de 100 mm de diamètre sur 40 mm d'épaisseur (nombre: 25)
nappe lacée a la main avec des noeuds d'écoute, sens du filet parallèle à la longueur de l'enginLests: en pierres, d'un poids unitaire moyen de 400 g, espacés de 8 m (nombre: 5 à 6)
Montage: on compte 14 mailles pour 1 m de ralingue
pirogue de 10 m avec éperonsConditions de la pêche
moteur hors-bord de 6 ch.
espèces capturées: essentiellement les pompanos (Trachinotus sp.)Fig. 20: Filet maillant dormant à Trachinotus (Adeane, Goudomp)
pèche lagunaire
fond: sable vaseux
équipage: 1 personne
4.4 FILET MAILLANT DORMANT A POISSONS (RAUK)
Localité: Guet N'Dar
Construction et montage (Fig. 21)
Longueur: 18,20 m (montée)MontageProfondeur: 4 m (étirée)
Nombre de mailles en longueur: 234
Nombre de mailles en profondeur: 25
Fil employé: nylon 1 110 m/kg
Dimension de la maille étirée: 160 mm
Nappe lacée à la main avec noeuds d'écoute doubles
Ralingues:
ralingue supérieure, longueur: 18,20 m, en nylon 2 torons de 6 mm de diamètreFlotteurs: en liège, de 100 mm de diamètre sur 40 mm d'épaisseur (nombre: 14)
ralingue de plomb longueur 19,20 m, en nylon 2 torons de 6 mm de diamètreLests: en olives de plomb d'un poids unitaire de 200 g (nombre: 14)
Rapport d'armement
(à la ralingue supérieure)(à la ralingue inférieure)
Fig. 21: Filet maillant dormant à poissons (Guet N'Dar)

4.5 FILET MAILLANT DORMANT A POISSONS (OUOLOF: M'BAL-SER)
Localité: Fass Boye
Construction et montage (Fig. 22)
Longueur: 18,30 m (montée)EmbarcationProfondeur: 4,80 m (étirée)
Nombre de mailles en longueur: 144
Nombre de mailles en profondeur: 30
Fil employé: nylon 1 110 m/kg
Nappe lacée à la main avec des noeuds d'écoute doubles, sens du filet parallèle à la longueur de l'engin
Dimension de la maille étirée: 160 mm
Ralingues (supérieure et inférieure): en nylon de 5 mm de diamètre, en 3 torons
Longueur: 19,30 m avec les deux bouts
Flotteurs: en liège de forme cylindrique de 100 mm de diamètre et 40 mm d'épaisseur (nombre: 18)
Lests: en plombs d'un poids unitaire de 165 g environ, espacés de 1 m (poids total: 3 kg)
Le nombre de pièces de filet par filière varie avec les saisons de pêche:
- en mai - juin - juillet il est de 20Montage: la nappe lacée à la main est enfilée sur les ralingues ou l'on compte 8 mailles par intervalles de 1 m de corde
- en hivernage, ce nombre est en moyenne de 7Orins de relevage: d'une longueur de 15 m en moyenne; en nylon de 6 mm de diamètre
La longueur des orins est en fonction de la profondeur et des courants.
pirogue de 5,80 m de longueur, avec éperons (largeur: 1 m)Conditions de la pèche
moteur hors-bord 18 à 20 ch.
espèces capturées: courbines, tassergals, daurades, otholithesFig. 22: Filet maillant dormant à poissons (Fass Boye)
profondeur: 30 m environ
nature du fond: sable coquillier à proximité des roches
4.6 FILET MAILLANT DORMANT A REQUINS (SERERE: DJINIO)
Localité: Palmarin (Diakhanor)
Construction et montage (Fig. 23)
Longueur: 35,20 m (montée)MontageProfondeur: 4,50 m (étirée)
Nombre de mailles en longueur: 282
Nombre de mailles en profondeur: 25
Dimension moyenne d'une maille étirée: 180 mm
Fil employé: nylon 2 220 m/kg
Ralingues: longueur 35,20 m, supérieure en sisal de 10 mm de diamètre en 4 torons; inférieure en nylon 2 torons d'un diamètre de 8 mm, câblé par les pêcheurs
Flotteurs: en liège d'un diamètre de 100 mm et 40 mm d'épaisseur, distants de 1,10 m (nombre: 32)
Lests: en plomb d'un poids unitaire de 120 g, espacés d'un mètre (nombre: 35)
Rapport d'armementEmbarcation
pirogue de 12 m de longueur hors toutConditions de la pêche
moteur hors-bord de 6 ch.
espèces capturées: requinsFig. 23: Filet maillant dormant à requins (Palmarin)
nature du fond: sable
4.7 FILET MAILLANT DORMANT A COURBINE
Localité: Joal (Petite Côte)
Construction et montage (Fig. 24)
Longueur: 20 m (montée)MontageProfondeur: 5,20 m (étirée)
Nombre de mailles en longueur: 200
Nombre de mailles en profondeur: 26
Dimension de la maille étirée: 200 mm
Fil employé: nylon tressé 650 m/kg
La nappe est lacée à la main avec des noeuds d'écoute doubles
Ralingues (supérieure et inférieure): en nylon d'un diamètre de 8 mm en 2 torons, longueur 21 m avec les deux bouts
Flotteurs: en liège de 100 mm de diamètre sur 40 mm d'épaisseur, espacés de 1 m
Lests: en olives de plomb, d'un poids unitaire de 300 g, espacés de 1 m
rapport d'armement E: 0,50Embarcation
pirogue de 12 m de longueur hors toutConditions de la pêche
moteur hors-bord de 20 à 25 ch
espèce principale recherchée: courbine (beur) ou Argyrosoma regiumFig. 24: Filet maillant dormant à courbine (Joal)
profondeur: 20 à 30 m
nature du fond: sable
équipage: 2 à 3 personnes
4.8 FILET MAILLANT DORMANT A LANGOUSTES (OUOLOF: M'BAL SEROU-SOUM)
Localité: Joal-M'Bour (Petite côte)
Construction et montage (Fig. 25)
Longueur: 38 m (montée)EmbarcationProfondeur: 0,60 m (étirée)
Nombre de mailles en longueur: 271
Nombre de mailles en profondeur: 3
Dimension moyenne d'une maille étirée: 220 mm
Fil employé: nylon 1 615 m/kg
Ralingues (supérieure et inférieure): diamètre approximatif 6 mm, longueur 41 m avec deux bouts en nylon câblé en 2 torons par les pêcheurs
Flotteurs: en liège ou en matière plastique comprimée, espacés d'environ 1,10 m (nombre: 35)
Lests: en olives de plomb, d'un poids unitaire de 60 g, espacés de 50 cm (nombre: 76)
Montage: Le fil d'armement qui relie chaque maille de bordure à la ralingue est fixé à cette dernière par un tour mort et 2 ou 3 demi-clés. La distance entre deux points de fixation est de 140 mm.
pirogue de 7 à 12 m de longueurConditions de la pêche
moteur hors-bord de 6 à 20 ch
espèces principales recherchées: langoustesFig. 25: Filet maillant donnant à langoustes (M'Bour-Joal)profondeur: 15 m environ nature du fond: sable
équipage: 4 à 5 personnes réparties de la façon suivante: la première s'occupe du moteur, la seconde haie le filet à bord pendant que la troisième, à l'aide d'une pagaie, oriente la pirogue dans la direction convenable qui facilite la relève du filet; les autres personnes enlèvent des mailles les différentes espèces capturées.
Les filets à langouste sont mouillés par filière de 5 à 6 filets reliés entre eux par des noeuds plats.
4.9 FILET MAILLANT DORMANT A PSEUDOTOLITHUS SP. (OUOLOF: FOUTOU ET N'GOUKOU)
Localité: M'Bour-Joal
Construction et montage (Fig. 26)
Longueur: 90 m (montée)EmbarcationProfondeur: 1,50 m (étirée)
Nombre de mailles en longueur: 900
Nombre de mailles en profondeur: 11
Dimension moyenne d'une maille étirée: 140 mm
Fil employé: nylon 2 220 m/kg
Ralingues (supérieure et inférieure): longueur 92 m avec les deux bouts, diamètre 6 mm en 2 torons
Flotteurs: en liège de section triangulaire avec les dimensions suivantes:
épaisseur: 40 mm; arc: 70 mm; hauteur: 50 mm; (nombre: 46)Lests: en olives de plomb espacés de 0,55 m et d'un poids unitaire de 70 g (nombre: 163)
espacés de 2 m environMontage: Même montage que pour les filets à langoustes, le fil d'armement fixé à la ralingue par un tour mort et 2 demi-clés est passé dans chaque maille de bordure. La distance séparant deux points de fixation consécutifs est de 100 mm.
pirogue de 7 m de longueurConditions de la pêche
moteur hors-bord de 6 à 20 ch.
espèces capturées: otolithes, soles, daurades grises, pristipomes, mâchoironsFig. 26: Filet maillant dormant à Pseudotolithus sp. (M'Bour-Joal)
nature du fond: sable ou roche
profondeur: 8 m environ
Une filière comprend 2 à 5 filets reliés entre eux par les noeuds plats.
4.10 FILET MAILLANT DORMANT A COBOS, CHINCHARDS, MULETS, DAURADES, ETC. (OUOLOF: M'BAL-SER)
Localité: M'Bour-Joal (Petite Côte)
Construction et montage (Fig. 27)
Longueur: 40 m (montée)EmbarcationProfondeur: 9 m (étirée)
Nombre de mailles en longueur: 1 440
Nombre de mailles en profondeur: 125
Dimension de la maille étirée: 72 mm
Fil employé: nylon 4 440 m/kg
Sens du filet parallèle à la profondeur avec noeuds d'écoute doubles
Ralingues (supérieure et inférieure): longueur 41 m avec les deux bouts en nylon d'un diamètre de 6 à 8 mm, câblé localement par les pêcheurs
Montage: Rapport d'armement
Flotteurs: en matière plastique comprimée d'un diamètre de 80 mm et d'une hauteur de 85 mm, espacés de 1 m (nombre: 41)
Lests: en olives de plomb d'un poids unitaire de 200 g en moyenne, espacées de 0,65 m (nombre: 61)
pirogue de 10 m de longueur en moyenneConditions de la pêche
moteur hors-bord de 15 ch environ
espèces capturées: sardinelles, chinchards, ethmaloses, bonites, daurades grises, pagres, lichesFig. 27: Filet maillant dormant à cobos, chinchards, etc. (M'Bour-Joal)
profondeur: 10-15 m
nature du fond: sable, roche
équipage: 3 à 5 personnes
4.11 FILET MAILLANT DORMANT A SARDINELLES
Localité: M'Bour-Joal
Construction et montage (Fig. 28)
Longueur: 210 m (montée), 300 m (étirée)MontageProfondeur: 8 m (étirée)
Nombre de mailles en longueur: 5000
Nombre de mailles en profondeur: 133
Dimension de la maille étirée: 60 mm
Fil employé: nylon 6 660 m/kg
Nappe de fabrication mécanique avec noeuds d'écoute doubles
Ralingues (supérieure et inférieure): en sisal 3 torons d'un diamètre de 8 mm ou en nylon câblé par les pêcheurs, d'un diamètre de 6 mm en 2 torons
Longueur: 210 m
Flotteurs: en liège de 100 mm de diamètre et 40 mm d'épaisseur (nombre: 35)
Lests: en olives de plomb d'un poids unitaire de 150 g (nombre: 210)
Rapport d'armementEmbarcation
pirogue avec éperons de 13 m de longueur hors toutConditions de la pêche
moteur hors-bord 6 à 18 ch
espèces recherchées: sardinellesFig. 28: Filet maillant dormant à sardinelles (M'Bour-Joal)
profondeur: 15-20 m
nature du fond: sable
équipage: 4 à 5 personnes
5.1 FILET MAILLANT DERIVANT A ETHMALOSES
Localité: Guet N'Dar (Saint Louis)
Construction et montage (Fig. 29)
Longueur: 17, 60 m (montée)Montage:Profondeur: 3,90 m (étirée)
Nombre de mailles en longueur: 438
Nombre de mailles en profondeur: 49
Fil employé: nylon 6 660 m/kg, alèze sans noeuds
Dimension de maille étirée: 80 mm
Ralingues (supérieure et inférieure): en nylon 2 torons de 6 mm de diamètre
Flotteurs: en liège de 100 mm de diamètre sur 40 mm d'épaisseur (nombre: 12)
Lests: en olives de plomb de 200 g en moyenne (nombre: 6)
La filière se compose de 4 à 5 filets en moyenne.
Rapport d'armementEmbarcation
pirogue de fleuve à fond platConditions de la pêche
longueur moyenne: 5 m
espèces recherchées: ethmaloses (zaïma)
lieu de pêche: fleuve, près de l'embouchure
courants de marée
Fig. 29: Filet maillant dérivant à ethmaloses (Guet N'Dar)

5.2 FILET MAILLANT DERIVANT A COBOS (TOUCOULEUR: FELE-FELE-COBO)
Localité: Gouk (Sokone)
Construction et montage (Fig. 30)
Longueur: 81,90 m (montée)EmbarcationProfondeur: 4,20 m (étirée)
Nombre de mailles en longueur: 1842
Nombre de mailles en profondeur: 70
Dimension de la maille étirée: 60 mm
Fil employé: nylon câblé 6660 m/kg
Sens du filet parallèle à la profondeur; nappe lacée mécaniquement avec des noeuds d'écoute doubles
Ralingues:
ralingue des lièges et des plombs: longueur 82 m en nylon de 6 mm de diamètre, 3 toronsFlotteurs: en liège de 70 mm de diamètre sur 40 mm d'épaisseur, espacés de 0,70 m (nombre: 116)ralingue des côtés: longueur 3,90 m en nylon de 3 mm de diamètre
Lests: en olives de plomb de 50 g en moyenne, espacés de 0,70 m (nombre: 116)
Montage: les mailles sont enfilées dans les ralingues ou elles sont fixées par intervalles de 1 m environ
Rapport d'armement
pirogue de 8 m de longueurConditions de la pêche
moteur hors-bord de 6 ch
espèces capturées: cobos (Ethmalosa fimbriata)Fig. 30: Filet maillant dérivant à cobos (Gouk)
5.3 FILET MAILLANT DERIVANT (TOUCOULEUR: FELE-FELE)
Localité: Diamniadio (Foundiougne)
Construction et montage (Fig. 31)
MontageLongueur: 45 m (montée)Profondeur: 2,15 m (étirée)
Nombre de mailles en longueur: 3150
Nombre de mailles en profondeur: 43
Dimension de la maille étirée: 50 mm
Fil employé: nylon 10000 m/kg
Ralingues: longueur 47 m (y compris 2 bouts de 1 m) en nylon 3 torons, de diamètre 3 mm
Flotteurs: forme cylindrique, en bois, longueur 260 mm, épaisseur 31 mm (nombre: 75)
Lests: en plomb (nombre: 56), poids total: 3 kg
Rapport d'armementEmbarcation
pirogue du type monoxyleConditions de la pêche
longueur: 5-6 m
propulsion à la pagaie
équipage: 12 personnes
espèces capturées: muletsFig. 31: Filet maillant dérivant (Diamniadio)
nature du fond: sable
profondeur: variable
courants de marée
5.4 FILET MAILLANT DERIVANT (OUOLOF: YOLOLL)
Localité: Betenty (Toubacouta)
Construction et montage (Fig. 32)
Longueur: 101,30 m (montée)Remarque: On fixe la ralingue supérieure à intervalles d'environ 8 m sur des flotteurs de surface par des cordages de 4,30 m d'une longueur pouvant être modifiée pour établir les filets à la profondeur ou se trouvent les poissons.Profondeur: 4,44 m (étirée)
Nombre de mailles en longueur: 1 310
Nombre de mailles en profondeur: 36
Dimension de la maille étirée: 140 mm
Fil employé: nylon 1 110 m/kg
Ralingues: longueur 103 m (y compris 2 bouts de 1 m) en nylon 5 mm de diamètre, e torons; sens du filet parallèle à la longueur, noeuds d'écoute doubles
Flotteurs: en liège d'un diamètre de 100 mm et 40 mm d'épaisseur, espacés de 2 m environ (nombre: 51)
Lests: en pierre, d'un poids unitaire de 0,5 à 1 kg, espacés d'environ 8 m (nombre: 12)
Montage: la nappe est fixée à la ralingue par intervalles de 2 m environ contenant environ 26 mailles libres
Rapport d'armement E: 0,55Conditions de la pêche
pêche de nuitFig. 32: Filet maillant dérivant (Betenty)
courants de marée
lieux: bolons du Sine-Saloum
5.5 FILET MAILLANT DERIVANT A ETHMALOSES
Localité: Goudomp (Casamance)
Construction et montage (Fig. 33)
Longueur: 132 m (montée)EmbarcationProfondeur: 2,52 m (étirée)
Nombre de mailles en longueur: 3120
Nombre de mailles en profondeur: 42
Dimension de la maille étirée: 60 mm
Fil employé: nylon 10000 ou 6660 m/kg
Nappe lacée à la main avec des noeuds d'écoute doubles pour éviter leur glissement
Ralingue (supérieure et inférieure): en nylon 3 torons de diamètre 3 mm
Flotteurs: en bois, de 400 mm de longueur et 40 mm d'épaisseur (nombre: 120), espacés de 1,10 m en moyenne
Lests: en olives de plomb d'un poids unitaire de 200 g, espacés de 2,20 m (nombre: 60)
Montage: la nappe est enfilée sur les ralingues et on compte 26 mailles dans 1,10 m de ralingue
Rapport d'armement
pirogue de 13 m de longueur avec éperonsConditions de la pêchemoteur hors-bord de 6 ch
espèces capturées: cobos (ethmaloses)Fig. 33: Filet maillant dérivant à ethmaloses (Goudomp)nature du fond: sable
6.1 PETIT FILET FILTRANT A CREVETTES (OUOLOF: KILLI)
Localité: Saint Louis
Construction et montage (Fig. 34)
Dimension de la maille étirée: 16 mmEmbarcationLa nappe du filet est de fabrication mécanique avec ou sans noeuds d'écoute doubles
Sens du filet perpendiculaire à l'ouverture du filet en pêche Fil employé: nylon 6 660 m/kg
Le Killi est un filet en forme de poche allongée, maintenu ouvert en pêche par deux bâtons en bois de section ronde d'une longueur de 1,50 m et 30 mm d'épaisseur en moyenne.
Le Killi qui filtre l'eau est traîné par deux hommes.
(Sans) pêche à piedConditions de la pêche
espèces pêchées: crevettes et petits crabes
lieux de pêche: marigots (St. Louis, Sine Saloum, Ziguinchor) ou mer (Joal)
saison de pêche: hivernage
Fig. 34: Petit filet filtrant à crevettes (Saint Louis)

6.2 FILET FILTRANT A L'ETALAGE A CREVETTES
Localité: Casamance
Construction et montage (Fig. 35)
- Nappe de filet
longueur: 11,20 m (étirée)- Ralingue
profondeur: 9,20 m (étirée)
fil employé: nylon 6 660 m/kg, alèze sans noeuds
maille étirée: 22 mm
sens du filet: perpendiculaire à l'ouverture rectangulaire de l'engin
dimensions de l'ouverture du filet en pêche: largeur 7,70 m, hauteur 1 m
longueur 20 m pour chaque filet; en nylon de diamètre 3 mm, passée dans la maille double lacée à la main renforçant l'ouverture rectangulaire du filet- Bâtons verticaux
nombre: 4 (pour deux filets)- Bâtons horizontaux
longueur: 2,5 à 3 m
diamètre:à la base - 70 mmIls assurent l'ouverture verticale des filets
au bout - 35 mm
nombre: au nombre de 2, installés en abord de chaque côté de la pirogue, ils assurent l'ouverture horizontale des filets- Fûts de 200 1 servant de flotteurslongueur: 7,30-7,50 m
diamètre:
à la base - 100 mm
au bout - 40-50 mm
nombre: 2- Orins de mouillage
forme: cylindrique
longueur: 870 mm
diamètre: 570 mmQuatre triangles en fer rond de 10 mm sont fixés sur chaque fut, 3 à l'avant et 1 plus petit à l'arrière, pour l'amarrage des bâtons horizontaux et verticaux, et des orins de mouillage.
De fabrication locale de diamètre 8 mm environ en 2 torons, d'une longueur de 20 m environEmbarcation
pirogueConditions de la pèche
longueur moyenne: 5 à 6 m
largeur: 1 m
profondeur: 70 cm
équipage: 1 à 2 personnes
lieux de pêche: fleuve Casamance vers l'embouchureFig. 35: Filet filtrant à l'étalage à crevettes (Casamance)
pêche à l'étalage dans le courant
7.1 EPERVIER SIMPLE (OUOLOF: M'BAL-SANI)
Localité: Fayaco (Foundiougne)
Construction et montage (Fig. 36)
Hauteur: 4,5 m environEmbarcation
Circonférence étirée: 31,36 m
Nombre de mailles en hauteur: 143
Nombre de mailles à la base: 784
Dimension de la maille étirée: 40 mm
Fil employé: nylon 10000 m/kg
Ralingue à la base: nylon 3 torons 3 mm de diamètre, longueur 21 m
Lests: en plomb (nombre: 46), d'un poids total de 1,5 kg
pirogue type monoxyleConditions de la pêche
longueur: 4-5 m
propulsion à la pagaie
équipage: 2 personnes
espèces capturées: mulets, avec la maille de 40 mm; cobos, avec la maille de 72 mm (nombre de mailles réduites en proportion)Fig. 36: Epervier simple (Fayaco)profondeur d'eau variable: 1 à 5 m
7.2 EPERVIER A ANNEAU (M'BAL-SANI)
Localité: St. Louis (Casamance)
Construction et montage (Fig. 37)
Hauteur: 3,90 m environEmbarcation
Longueur de la ralingue de plomb: 20 m
Nombre de mailles en hauteur: 108
Nombre de mailles à la base: 640
Dimension de la maille étirée: 40 mm
Fil employé: nylon 10000 m/kg
Ralingue à la base: longueur 20 m en nylon de 3 mm de diamètre
Lests: en plomb de 150 g (nombre: 20)
pêche à pied ou avec une pirogue monoxyle de 3,50 m de long propulsée à la pagaieConditions de la pêche
équipage: 2 personnes pour la pêche en pirogue, ou 1 personne pour la pêche à pied
espèces capturées: ethmaloses, mulets, etc.Remarque: Cet épervier se distingue de l'épervier simple par la présence d'un anneau en bronze (St. Louis) ou en corne (Casamance) ou coulissent des fils en nylon qui, fixés sur la ralingue de base à intervalles réguliers, assurent la fermeture pendant la relève de l'engin; leur longueur est égale à la hauteur de l'épervier, soit 3,90 m environ. La longueur de la ligne en nylon de 3 mm de diamètre qui sert à tirer le filet vers la surface, est de 10 m environ.
Fig. 37: Epervier à anneau (St. Louis)
8. BARRAGES
Ils sont installés, soit au bord des lagunes, soit dans des passes découvrant à marée basse.
Les Kayas sont des barrages utilisés en Casamance. Ils ont une longueur moyenne de 20 m sur 1,50 m de hauteur. Fixés au sol par l'intermédiaire de pieux en bois, leur forme générale en pêche est carrée avec une ouverture dirigée vers la berge. Les principales espèces capturées sont les ethmaloses, les mulets et les carpes.
Les Sarape-Warandes (Fig 38) Principalement employés à Bétenty, ils sont installés a la marée basse dans les passes. Ils sont composés de deux principaux éléments:
a) le sarape qui constitue le barrage proprement dit;Cette pêche, très rentable, est organisée et réglementée par un groupe de villageois.
b) les warandes qui sont des paniers de forme conique qui retiennent les poissons.
Le prix de vente des produits péchés est destiné au paiement des impôts.
Pendant la saison d'abondance des mulets, on arrive à remplir 20 pirogues par pêche, soit 30 tonnes de poissons.
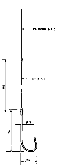
9. LIGNES ET HAMEÇONS
Ligne à main (grande) à N'Got (Fig. 39)
ligne: nylon monofilament de diamètre 1,3 mm (résistance: 65 kg)Ligne à main (moyenne) à N'Got (Fig. 40)
bas de ligne: fil d'acier de diamètre 1 mm environ
hameçon N° 2 ou 3
profondeur de pêche: 25 à 100 m
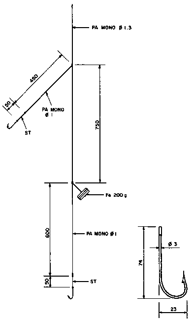
ligne: nylon monofilament de diamètre 0,8 mm (résistance: 25 kg)Ligne à main à pageots et pagres (Fig. 41)
bas de ligne: fil d'acier de diamètre 0,6 mm environ
hameçon N° 6 ou 7
profondeur de pêche: 10-12 m
ligne: nylon monofilament de diamètre 0,8 mm (résistance 25 kg)Ligne à main à chinchards (Fig. 42)
bas de ligne: nylon monofilament de diamètre 0,65 mm (résistance 17 kg)
hameçon N° 11
profondeur de pèche: 25-30 m
ligne: nylon monofilament de diamètre 0,65 mm (résistance 17 kg) hameçon N° 9Ligne à main à thiof (Fig. 43)
bas de ligne: fil d'acierLigne à main à kibaro (Fig. 44)
hameçon No 3
profondeur de pêche: 15 à 40 m
Ligne à main à gros denté (Dentex filosus) (Fig. 45)
Lignes traînantes
à Cybium tritor et Orcynopsis unicolor (Fig. 46)Palangre fixe (Fig. 48)
à Euthynnus alletteratus (Fig. 47)
longueur totale: 300 m
ligne principale: fil nylon 850 m/kg
avançons: environ 12 000 de 100 mm de long en fil nylon 2 220 m/kg, espacés de 130 mm
appât: graisse animale
flotteurs: 4 bouchons de liège fixés ensemble tous les 40 hameçons
hameçon No 6
La palangre est tendue en surface en travers du courant, maintenue par des piquets plantés sur chaque rive.
Fig. 39: Ligne à main (grande) à N'Got

Fig. 40: Ligne à main (moyenne) à N'Got

Fig. 41: Ligne à main à pageots et pagres

Fig. 42: Ligne à main à chinchards

Fig. 43: Ligne à main à thiof

Fig. 44: Ligne à main à kibaro

Fig. 45: Ligne à main à gros denté (Dentex filosus)

Fig. 46: Lignes traînantes à Cybium tritor et Orcynopsis unicolor

Fig, 47: Lignes traînantes à Euthynnus alletteratus

Fig. 48: Palangre fixe

M/N5245/F/2.80/1/250